Przeróbka instalacji TN-C na TN-S

Oczywiście że 10mA tylko że nie nadaje się gdy w obwodzie znajdują się odbiorniki mające duże prądy upływnościowe (bojlery,pralki )nie potrzebne zadziałania RCD. Ale ty mi coś zarzuciłeś że się nie znam mogę jeszcze parę przykładów dodać ale po co . Ludzie za bardzo wierzą w magię tego pudełka RCD, a to żeby zadziałało muszą być spełnione warunki i ty je znasz.
Ps.
Nie dawno była rocznica śmierci aktora grał w Vabank jego poraziło jak podłączał pompkę w piwnicy , a jego instalacja miała RCD chłop już w piachu to do kogo pretensje do wyłącznika.

RCD jest już tylko środkiem ochrony uzupełniającej (czytałem w jakiejś fachowej literaturze, że dzięki swojej dużej awaryjności). Niemniej jednak istnieje obowiązek stosowania RCD (zainteresowani wiedzą gdzie i dla jakich obwodów) i nie da się temu zabezpieczeniu odmówić dużego udziału w bezpiecznym użytkowaniu instalacji elektrycznej.

Pralka czy boler nie są urządzeniami z założonym dużym prądem upływnościowym (to normalne AGD), to raczej obniżający się stan izolacji podstawowej urządzenia spowodowany zużyciem izolacji. Powiększający się prąd upływu w bojlerze lub pralce to pierwsze symptomy początku końca urządzenia (przeważnie grzałki w urządzeniu), ale nie zgodzę się że sprawna pralka będzie niepotrzebnie pobudzała RCD 10mA.
Jeżeli zacznie, po jakimś czasie eksploatacji, wybijać różnicówkę 10mA, to tylko kwestia czasu i pobudzi również 30mA.

Słuchajcie - ja zrozumiałem działanie RCD w ten sposób, że gdy w danym urządzeniu, zabezpieczonym RCD nie ma żadnych uszkodzeń izolacji, to prąd różnicowy wynosi 0. Czyli prąd wpływający do RCD jest taki sam jak prąd wypływający. Jeżeli z kolei na przewodzie lub urządzeniu powstanie uszkodzenie, to powstaje róznica między prądem wchodzącym a wychodzącym z RCD. I RCD 10mA wyłączy zasilanie tego urządzenia, jeżeli róznica między prądem wchodzącym a wychodzącym będzie wynosiła właśnie 10mA. I tak samo jest z 30 mA. A więc RCD 10mA jest bardziej czuła i szybciej wyłączy urządzenie spod napięcia. Jeżeli urządzenie jest sprawne, to nie może być żadnej, najmniejszej róznicy między wspomnianymi prądami. A jak RCD 10mA zadziała, to 30mA jest tylko kwestią krótkiego czasu. A więc tak czy inaczej trzeba będzie odszukać uszkodzenie. Dla człowieka w łazience np. na mokrej bądz wilgotnej posadzce, dodatkowo na boso, kiedy to porażenie prądem jest bardziej odczuwalne, lepiej będzie jak RCD wyłączy zasilanie przy prądzie róznicowym 10 mA niż RCD będzie “czekać” na prąd 30mA. chyba dobrze zrozumiałem działanie różnicówki?
A co do wspomnianego aktora - podejrzewam, że RCD u niego w domu długo nie był sprawdzany. A wystarczy chociaż raz w tygodniu zrobić test. Ale kto tego pilnuje?

No to wróciliśmy do punktu wyjścia . A co do wybijania RCD 30 mA to będzie znaczyć że jest już tak źle że należy wymienić pralkę. Bo nowa wiadomo takich problemów nie stworzy.
Ale zakończmy wątek bo zeszliśmy z tematu.

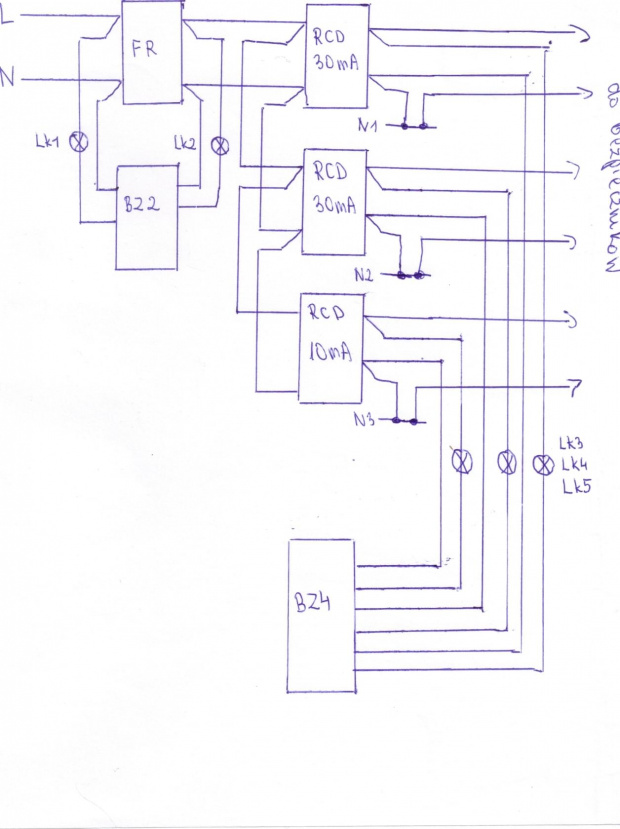
No i teraz dalsza część rozdzielnicy. Nastąpiła kolej na kontrolki obecności faz. Zrobiłem taki oto rysunek tych kontrolek i ich zabezpieczeń :

Jako kontrolki będą ( Lk1 - Lk5 ) :

Prąd pobierany to 30mA
Jako zabezpieczenie będzie :

oraz

Kontrolki będą sygnalizowały obecnośc napięcia przed FR-em, za FR-em, oraz za każdym RCD.
Zasadnicze pytanie - jakie wkładki topikowe do tego założyć - zwłoczne, bezzwłoczne i na jaki prąd?
No i oczywiście oceńcie, czy instalacja prawidłowo wykonana.

Kolego pisałeś że jesteś elektrykiem mimo że z kopalni , do czego stosujemy zabezpieczenia zwłoczne .

To są lampki więc odpowiedz sama się narzuca znając prąd lampek .
Wiem znowu nie dałem odpowiedzi .

Trudno mi uwierzyć, że różnicowy dopuścił do wypadku śmiertelnego. To że różnicowy był to jeszcze nie wszystko, ja już wielokrotnie spotykałem zmostkowany i co z tego że był. Nie brakuje takich wynalazców, że jak nie może znaleźć upływności to zmostkuje różnicówkę i jeszcze kasę, za to niezłą weźmie bo przecież klient bez światła siedział, a on wybawca go rozjaśnił. Więc z tym wypadkiem mam duże wątpliwości nie zależnie od wyników śledztwa.

Ja bym kolego nie polemizował z biegłym sądowym ,nas tam nie było . I radzę wszystkim rozsądnym bardzo ostrożnie podejść do zagadnień niezawodności RCD .
A tu ku pokrzepienia serc .
[PDF]
Lodowaty prysznic - Edward Musiał
http://www.edwardmusial.info/pliki/lodowaty_prysznic.pdf

:wink: prawie , proponuje przeczytać :
http://bezel.com.pl/index.php/urzadzenia-roznicowopradowe/budowa-i-zasada-dzialania-rcd

Kol. Alberciczek, prąd różnicowy może płynąć przy najlepszej izolacji np. z powodu pojemności między fazą a ziemią.
Jeśli prąd rażenia będzie np.15mA to RCD 10mA powinna zadziałać a 30mA RCD raczej nie zadziała. 15mA to dużo! Inny przykład: prąd rażenia 30mA: zwykła różnicówka może wyłączyć po 300ms! a 10mA RCD już przy I=20mA do 150ms czyli jednak dużo szybciej. Przy zwarciu L z PE to oczywiście nie ma znaczenia i zadziałają też wyłączniki nadprądowe. Oczywiście ważną kwestią jest cena - każda lepsza RCD jest znacząco droższa i pamiętajmy, że nawet najlepsza nie jest panaceum na każde zło :slight_smile:



Nie przesadzałbym więc z kolejnymi przekaźnikami czyli dokładaniem kolejnych styków - rezystancji, która dodatkowo rośnie w miarę upływu czasu, bo zaraz może się okazać, że impedancja w końcowym gniazdku będzie tak duża, że warunek SWZ nie zostanie spełniony. Dobrze byłoby sprawdzić impedancję na zasilaniu budynku i pobawić się trochę w obliczenie jej na najdalszych odbiornikach. Przyjąć trzeba już styki na FR, RCD i “S” - doszłaby jeszcze para styków na przekaźniku napięciowym - będzie na to rezerwa w impedancji ?

Jako że to fachowe forum, podaj proszę konkrety - jaki prąd pojemnościowy popłynie, gdy mamy po RCD 15m przewodu YDYżo 3x2,5mm2 prowadzonego pod tynkiem. Załóżmy że przewód idzie w wiązce 3 przewodów.

Jeśli udowodnisz swoją tezę, nie będę twierdził, że nie masz racji, i nie powiem, że straszysz niepotrzebnie.

Ha! Fajnie by było :slight_smile: Tylko kto mi to pomierzy? :frowning:
Co do zabezpieczenia kontrolek - będą wkładki bezpiecznikowe WTA-T 1A - chodzi o to, żeby w razie zwarcia bezpiecznik od razu zadziałał. Niestety producent nie podaje jaki impuls prądu powstaje podczas włączania tej kontrolki. Może być większy niż te 30 mA. A prąd 1A przy przewodach 1,5mm powinien od razu taką wkładkę przepalić. chodzi o to, żeby ów przewód nawet się nie zgrzał jakby doszło do zwarcia.

Dlaczego takie duże, są wkładki o wielkościach mA np. 100 mA
http://elektronika-sklep.pl/sklep/p3774,wkladka-topikowa-wta-5x20mm-zwloczna-100ma-250v.html
Zabezpieczasz lampki .

Zgadza się Simcode. Tylko nie wiem, jak wyglądała będzie sprawa podczas włączania. Czy nie będą tak małe bezpieczniki się przepalać. Aczkolwiek to są kontrolki diodowe, więc nie powinny w sumie podczas załączania generować dużego prądu. Ale np kontrolki firmy F&F w swojej karcie charakterystyki mają napisane, że jak zabezpieczenie główne jest większe niż 25A a przewody większe jak 1,5 mm to wymagane jest zabezpieczenie nie większe niż 6A. Do tych kontrolek nie mogę nigdzie znaleść czy zabezpieczenie jest wymagane i jak wielkie.

Zabezpieczenie daje się zgodnie z logiką i zasadami elektrotechniki także, trochę większe niż pobierające odbiorniki w danym obwodzie. Kontrolki są tak małymi odbiornikami, że podczas zapalenia się łuku pomiędzy końcówkami diody, co jest możliwe ze względu na małą odległość między nimi, podobnie jak często zdarza się w przepalającej żarówce, i przy zabezpieczeniu 20 czy 25 A, taka dioda po prostu wyparuje, a w jej miejscu pozostanie łuk od którego może spłonąć cała rozdzielnia, a nawet i chałupa. Więc małe bezpieczniki na same kontrolki mają za zadanie odcięcie tego nienaturalnie zwiększonego prądu płynącego w obwodzie kontrolek, a tym samym jak sama nazwa mówi zabezpieczenie przed opisanymi skutkami.

No kolega to już dobrze wytłumaczył, więc nie wracam do tej kwesti wspomnę że kiedyś były neonówki i ten problem zwarć był niezauważalny.Przy diodach niestety mamy z tym problem.

Niech kolega nie szuka tylko postąpi tak jak napisał kolega wnukkonstynopolitanczyka bo nie o prąd pracy tu chodzi a zwarcia czyli te 100mA jest wystarczające .

A widzisz.. Na dole kopalni nadal jest mnóstwo sprzetu, który sygnalizuje swoją pracę/awarię ( doziom, zadziałanie zabezpieczenia ) neonówkami. W nowym sprzęcie, są diody, które są zabudowane w róznego rodzaju “kombajnach sterowniczych” i mają one swoje zabezpieczenie w środku - elektronika.
A więc jednak słusznie zapytałem jakie dać zabezpieczenie. Mało tego, tutaj wystarczy wkładka WTA-T (wyczytałem w necie) , bo mi to nie dawało spokoju, że na dole kopalni i na powierzchni jest tak samo ), a na dole kopalni coś takiego jest zabezpieczane wkładkami WTA, czasami WTA-G - zalezy w jakim sprzęcie i co sygnalizuje. A więc Simcode - więcej pokory, bo znowu to:

napisałeś niesłusznie. Jak widać zabezpieczenia na kopalni oblicza się nieco inaczej jak na powierzchni. A to dlatego, że na dole nie ma przewodu N tylko są trzy fazy i przewód ochronny. Ciekawostka - do żarówki podłącza się dwie fazy i na obudowę przewód ochronny.
Tak samo:

Więc znowu więcej pokory kolego. I nie dziw się następnym razem jak elektryk z dołu kopalni zada ci jakieś dziwnie proste pytanie, bo zasady zabezpieczeń na dole kopalni są zupełnie inne niż na powierzchni. A ty jak widać nie ma zielonego pojęcia o tym.
Ale tu już mi pomogłeś i to bardzo :

A więc dam 100mA :slight_smile:

1 polubienie

To co opisałeś różnica polega na tym, że ze względu na bezpieczeństwo zastosowano obniżone napięcie, gdzie napięcie między fazowe wynosi 230 V zamiast czterysta, a uzwojenia wtórne transformatorów połączone są w trójkąt dlatego nie ma przewodu N i nie ma napięcia fazowego. W związku z tym sposób zapewnienia bezpieczeństwa polega na innych zasadach. Być może w tamtejszych elektrowniach generatory kręcą się w przeciwnym kierunku.

Co napisałem niesłusznie że należy stosować bezpieczniki zwłoczne do lampek kolego nie bredź .

Niesłusznie napisałeś do zabezpieczenia trafo stosuje się inne bezpieczniki o innej charakterystyce (nie rozwijam tematu).

Elektryka na powierzchni i na dole jest ta sama różnica jest tylko w obostrzeniach ze względu na strefy metanowe lub wybuchu pyłu węglowego więc nie wymyślaj teorii .

Kolega z dołu nie wie co to sieć IT bo robi z tego ciekawostkę takie sieci istnieją w wielu zakładach , szpitalach ,hutach ,portach …zdziwiony więc nie rób z tego sensacji .

Kolego o wiedzy kolegów z dołu to bym mógł książki pisać nie rozwijam tematu a o tym że jak daleko im do elektryczności to świadczą twoje problemy. I wcale nie mam zamiaru cię obrażać znam ich mierny poziom jak jest dobrym fachowcem to siedzi w remizie .
PS . Może nie wiesz ja mieszkam i pochodzę ze Śląska .