Miejscowe połączenia wyrównawcze.

Witam

Kolego EDI

NA początek kilka cytatów z PBUE

Określenia

Jak do tego dodać punk 413.1.6 PN-IEC 60364 to nie rozumiem dlaczego kolega pisze

Do tych rur w pionie dodam jeszcze rury c.o. do grzejnika w łazience, co dobitnie świadczy, że PEN-a nie wolno do nich podłączać.

A niby dlaczego ?

To, że nie zgadzam się ze wszystkimi tezami kolegi Krystyna zawartymi w rozdziale 23.4 nie
oznacza w cale, że to kolega ma racje.

Witam Kolegę Andrzeja (elservise) i wszystkich Kolegów na FORUM.

Kolego Andrzeju, z chęcią wysłuchałbym jaki błąd jest w r. 23.4. Czytałem to przed chwilą po raz wtóry i nic nie widzę ale nie ma ludzi nieomylnych więc może coś źle napisałem.

Witam

Nie wiem dlaczego kolega uważa, że sugeruje iż kolega popełnił błąd.
Nie ja umieściłem ten temat w dziale ‘Błędy w sztuce’.
Jam ma tylko inny punkt widzenia i nie tyczy to rysunku tylko treści.

Co do rysunku 23.4 to mam tylko taka uwagę, że ja przewód PE odbiornika
doprowadził bym bezpośrednio do MSW.

Już PBUE sugerowały konieczność wykonywania miejscowych połączeń wyrównawczych,
pomimo że nie pojawiał się wprost ten termin (patrz wcześniejszy post).
Z tekstu rozdziału wynika, że jest to wynik wprowadzenia norm zgodnych z IEC 364.

Kolega warunkuje objęcie miejscowymi połączeniami wyrównawczymi rur gazowych od
zgody operatora lub administratora obiektu.
Ja uważam, że taka zgoda nie jest wymagana. Proszę pamiętać, że takie połączenia wyrównawcze
są tworzone przez i inny sprzęt zainstalowany w mieszkaniu. Jak już pisałem w innych wątkach
sens miejscowych połączeń wyrównawczych polega na tym, że tworzymy pewne i sprawdzalne
połączenie elektryczne niewrażliwe na ingerencje operatorów innych sieci. Poza pomiarem przejścia
możemy dokonać oględzin takiego połączenia.

Każdy piecyk gazowy jest jednocześnie punktem połączenia instalacji wodociągowej z gazową.
Wiele starych mieszkań posiada gazowe kotły CO, które łączą instalacje gazową, wodną, CO,
i elektryczną.
Kuchnia gazowa łączy instalacje gazową z elektryczną.
Kolega też o tym pisze więc jaką zgodę kolega ma na myśli – czego ona ma dotyczyć.
Może na podłączenie kuchenki gazowej ?
Kolega pisze:

Największym zagrożeniem jest wykorzystanie rur gazowych jako połączeń wyrównawczych
w instalacjach TN-C.

Ja widzę różnice pomiędzy objęciem rur gazowych połączeniami wyrównawczymi, a wykorzystaniem
rur gazowych do połączeń wyrównawczych, lub zastępczych przewodów ochronnych.
W pierwszym przypadku mamy tylko 1 połączenie do MSW i ciągłość instalacji jest bez znaczenia.

Stan instalacji gazowych nie ma wpływu na miejscowe połączenia wyrównawcze.
Wykonując takie połączenie dobrze jest określić wartość prądu wyrównawczego pomiędzy
instalacją elektryczną, a instalacjami obcymi (pomiar). W tym względzie stan instalacji elektrycznej
może być istotny.

Witam Kolegę Andrzeja (elservise) i wszystkich Kolegów na FORUM.
Dziękuję za kolejne uwagi na które postaram się odpowiedzieć.
Kolega EDI zmieścił ten temat w dziale “Błędy w sztuce”, co można uznać za poprawne gdyż prawie cały rozdział 23 niniejszej książki dotyczy właśnie różnych błędów. I bardzo mnie cieszą wypowiedzi różnych Kolegów o innym punkcie widzenia tego czy innego zagadnienia, dzięki czemu wielu z nas po pewnym czasie dochodzi do wniosku że się mylił (tu piszę o sobie).

Uwaga bardzo słuszna. Jednak celowo to tak narysowałem gdyż chciałem przedstawić rozpływ prądów oraz i . Nie jest to schemat montażowy lecz poglądowy. Nie zawsze MSW znajduje się w tym samym miejscu gdzie piętrowa rozdzielnica i takie połączenia występują. Podobnie narysowałem na tym rys. główne połączenie wyrównawcze gdzie widzimy że nie ma GSU. Taka sytuacja występuje m.in. w dużych obiektach budowlanych gdzie przyłącz elektryczny ZK znajduje się kilkadziesiąt metrów od przyłączy innych instalacji wodociągowych czy gazowych. Wówczas wszystko co się da podłączyć w piwnicy jest połączone bednarką, która na odległości kilkudziesięciu metrów spełnia role GSU. Książkowe czy normowe GSU, GSW i MSW są narysowane w rozdziale 14 ale od teorii do praktyki - to różnie z tym bywa.

Może niejasno napisałem lub Kolega inaczej zinterpretował poniższy cytat z książki:

Zgodnie z obowiązującymi norami w przypadkach modernizacji instalacji elektrycznych należy wykonać główne i miejscowe połączenia wyrównawcze. Połączeniami tymi powinny być objęte wszystkie instalacje przewodzące obce. Dotyczy to również instalacji rur gazowych pod warunkiem zgody operatora sieci gazowych lub administratora obiektu.

W cytacie tym pisałem o GSU i MSW. Moim zdaniem każda modernizacja instalacji powinna być odnotowana w książce obiektu budowlanego w porozumieniu z administratorem obiektu. Jeśli chodzi o GSU to administrator powinien to uzgodnić z operatorem sieci gazowych.
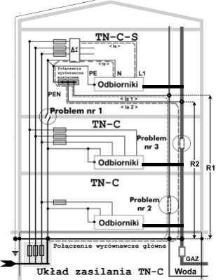
Proszę zwrócić uwagę, że piszemy o starych instalacjach wykonanych w układzie TN-C i rozważanie przyczyn zagrożenia (problem 1) przerwy przewodu PEN. W wielu przypadkach nie możemy przewidzieć jaki prąd przepływa przez PEN a jaki przez rury wodne i gazowe w takich (starych) instalacjach.
Teoretycznie prąd przepływający przez PEN powinien spełniać takie zadanie aby przez rury wodne i gazowe przepływały prądy rzędu miliamperów gdyż ich rolą powinno być spełnienie wyrównania potencjałów. Owszem, taka reguła występuje w TN-S ale nie w TN-C.
I tutaj nasuwa się pytanie:
“Czy w TN-C, rura wodna lub gazowa jest równoległym przewodem PEN, przewodem PE czy FB (dawniej zwanym CC)?”.

PN-IEC 60364
543.2.4. Części przewodzące obce mogą być wykorzystane jako przewód ochronny jeżeli spełniają wszystkie cztery na-stępujące wymagania:
a) ich ciągłość elektryczna powinna być zapewniona przez konstrukcję albo przez odpowiednie połączenia, w spo-sób zabezpieczający przed uszkodzeniem mechanicznym, chemicznym lub elektrochemicznym;
(…)
d) przewidziane są do takiego zastosowania lub w razie potrzeby zostały odpowiednio przystosowane.
Wykorzystanie metalowych rur wodociągowych jest dopuszczalne, pod warunkiem że uzyskano na to zgodę jednostki eksploatującej wodociągi.
Rur instalacji gazowych nie należy wykorzystywać jako przewodów ochronnych (nie dotyczy połączeń wyrównawczych).
543.2.5. Części przewodzące obce powinny być wykorzystywane jako przewody ochronno-neutralne PEN.

Nie wiem jak Koledzy ten cytat z normy odbieracie ale ja się w nim pogubiłem.

Kolego Andrzeju, zgadzam się z Kolegą odnoście objęcia rur połączeniami wyrównawczymi a wykorzystaniem ich jako przewodów ochronnych. Teoretycznie tak być powinno. Jednak życie i praktyka jest inna. W instalacjach TN-C w budynkach wielorodzinnych, przez wiele połączeń w wielu mieszkaniach, gdzie PEN jest podłączony do różnych instalacji obcych nawet pomiary impedancji pętli zwarciowej nie wskażą wyników stwierdzających o wadach. Po przeprowadzeniu oględzin WLZ’ów stwierdzamy że połączenia PEN są OK., po wykonaniu pomiarów we wszystkich np. 50 mieszkaniach wszystko jest OK. a gdy w piwnicy pomierzymy cęgami prąd przepływający w rurach wodnych czy gaz zobaczymy że wynosi ok. kilka lub kilkanaście amperów.
I na koniec tej wypowiedzi dodam i zapytam:
W wielu starych obiektach nie ma “połączeń wyrównawczych głównych” w piwnicach.
Jaką rolę spełni i jakie zagrożenie spowoduje “miejscowe połączenie wyrównawcze” na ostatniej kondygnacji wg rys. 23.4. w przypadku uszkodzenia PEN (problem 1)?

Witam!
Pamiętam czasy, kiedy za nie odróżnianie zerowania od uziemienia ochronnego, oblewano na egzaminach kwalifikacyjnych.
-Już kiedyś na forum polecałem lekturę z 1992 roku:
Edward Musiał: “Zagrożenia pochodzące od urządzeń elektrycznych”
-A oto drobny cytacik:
“Wprowadzenie osobnego przewodu ochronnego w instalacjach stałych z zerowaniem oznacza przejście od zerowania klasycznegow układzie TN-C do zerowania nowoczesnego
w układzie TN-C-S (rys. 8.12).”

Witam

Kolega Krystyn zadał pytanie:

Jaką rolę spełni i jakie zagrożenie spowoduje “miejscowe połączenie wyrównawcze” na ostatniej kondygnacji wg rys. 23.4. w przypadku uszkodzenia PEN (problem 1)?

Jak kolega spojrzy na definicje połączenia wyrównawczego to zgodzi się ze mną, że chodzi
o wyrównanie potencjałów pomiędzy różnymi częściami przewodzącymi obcymi i dostępnymi.
Utworzenie takiego połączenia jest tożsame z powstaniem węzła dla którego jest określony
wspólny potencjał i musi być spełnione I prawo Kirchhoffa.

Nie wiem na jakiej podstawie kolega twierdzi, że:

Teoretycznie prąd przepływający przez PEN powinien spełniać takie zadanie aby przez rury wodne i gazowe przepływały prądy rzędu miliamperów gdyż ich rolą powinno być spełnienie wyrównania potencjałów.

Przecież prądy wyrównawcze są nierozerwalnym efektem wyrównywania potencjałów. Może kolega
uzasadni dlaczego uważa, że prądy wyrównawcze powinny być rzędu miliamperów.
Ponieważ celem jest wyrównanie potencjałów to sprawa wartości prądów wyrównawczych jest
zjawiskiem wtórnym na które nie mamy wpływu.

Dla mnie istotnym jest czy zachodzi potrzeba wykonania połączenia wyrównawczego, a nie czy
powstaną prądy wyrównawcze bo zawsze powstają i są zmienne w czasie.

Analiza uszkodzeń instalacji, a w tym przewodu PEN jest potrzebna dla określenia zagrożeń z tego
wynikających. Jednak środki ochrony opisane PN-IEC 60364 odnoszą się do sytuacji wynikającej z
uszkodzeń odbiorników a nie instalacji samej w sobie. Dlatego uważam takie analizy za bardzo
mylące i odnoszenie ich do wymagań PN-IEC 60364 jest niewłaściwe.
Każde uszkodzenie PEN jest niebezpieczne bez względu na to czy istnieją połączenia wyrównawcze
czy nie istnieją.

Zamieścił kolega punkt z PN-IEC 60364

543.2.4. Części przewodzące obce mogą być wykorzystane jako przewód ochronny jeżeli spełniają wszystkie cztery następujące wymagania: …

Wykonanie połączenia wyrównawczego na ostatniej kondygnacji (rys 23.4) nie jest tożsame z
wykorzystaniem części przewodzących obcych jako przewodów ochronnych. To, że tworzy
się obwód równoległy do PEN i płyną prądy wyrównawcze nie zmienia faktu, że po powstaniu
przerwy w częściach przewodzących obcych nadal mamy wyrównane potencjały w górnej
kondygnacji i skuteczną ochronę przeciwporażeniowa.

Na zadane pytanie odpowiem koledze pośrednio.
Uszkodzenie przewodu PEN stwarza takie samo zagrożenie jak przypadkowe zadziałanie poduszki
powietrznej kierowcy na autostradzie. Jedno i drugie powinno zapewnić większe bezpieczeństwo.

Witam!
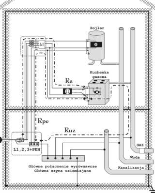
-Pozwoliłem sobie na uzupełnienie rysunku Kolegi Krystyna o rury gazowe do odbiorników, co pozwoli wyjaśnić, gdzie jest błąd w sztuce:

Witam Kolegę Edwarda (EDI) i wszystkich Kolegów na FORUM.
Kolego EDI, wróciłem właśnie ze spotkania i musiałem popatrzyć do kalendarza którego dziś mamy gdyż pomyślałem, że już jest 1 kwietnia “prima aprilis” ale widzę że nie.
Może to skutek dwóch małych winiaków, które niedawno wypiłem i dlatego nie rozumie o co w tym rysunku chodzi?
Czyżby chodziło o to aby wszystkie odbiorniki (pralki, termy, czajniki czy komputery) połączyć z rurami gazowymi???
Oj chyba muszę się przespać z tym tematem.

Witam,

Kolega EDI ma nadzwyczaj zagmatwane metody dochodzenia do sedna sprawy … myśle że ten temat już dawno zostałby zakończony z jasną i klarowną puentą .

  1. Rysunek będący kwestią sporną to tylko przykład dla rozważenia różnych możliwych przypadków zagrożeń w wyniku przerwania przewodu PEN w takim układzie

  2. Rysunek nie jest wykładnią “że tak ma być” ale “tak może się zdażyć”

Kolega Edi wyraźnie ma tendencje do przedłużania tematów swoimi wypowiedziami które nie wnoszą jakiejś szczypty postawienia tezy, do której można by się ustosunkować.

Kolego EDI więcej konkretów co do Kolegii zdania na ten temat … Raz a dobrze .. a nie kilkanaście razy dawkować …

Na forum jestem od niedawna i chciałbym sie nauczyć od Kolegów tego czego nie znajdę w innych publikacjach (z różnych względów tam nie zawartych) …

Witam!

-To dobrze Kolega trafił, bo ja staram się pisać o rzeczach, których nie wyczyta się w książkach.
-Często odbierane są jako “części niestrawne” czy trudne do przyswojenia.
-Przyjąłem zasadę, że “apetyt rośnie w miarę jedzenia”, co powoduje, że “łakomczuchom” to nie pasuje.
P.S.
-A przecież to towarzyskie spotkania na Forum i wypada się tylko delektować, a nie krytykować “wypieków gospodyni”.
-W końcu dzielenie się wiedzą […] , niech i inni się wypowiedzą.

Witam Kolegę EDI ,

Oczywiście Kolega ma prawo do własnych metod .. tak samo jak ja mam prawo do nie zgadzania się z nimi …

Jako łasuch czekam na kolejne kąski :sunglasses:

Witam!

-Tym razem, ja czegoś tu nie rozumię:
-Z opisu wynika, że układ jest TN-C-S, więc skąd ten PE na ostatniej kondygnacji?
P.S.
-Jednak trzeba czytać wszystkie tematy na forum, bo już wyjaśniliśmy sobie, że w układzie
TN-C-S z PEN wychodzi tylko N, a nie rozdziela się na PE i N, jak to w układzie TN-S.

Witam Kolegę Edwarda (EDI) i wszystkich Kolegów na FORUM.

Szkoda, że doświadczony Kolega tego rysunku i opisu nie rozumie. Nie będę tego tłumaczył gdyż …
A może Kol. EDI, sam sobie odpowiesz skąd ten PE na podstawie “Rys. 8.12…jpg” z literatury dra E. Musiała, który przytoczyłeś.

Kolego EDI, wiem że Kolega sobie wszystko wytłumaczył ale ja mam inne poglądy w tym temacie.
Zamieszczony przez Kolegę rysunek “(r_23_4) kuchnie gazowo-elektryczne” (który już jest na poprzedniej stronie nadal nie został wyjaśniony), o co Koledze chodziło pomimo, że prosiłem o odpowiedź.
Ps.
Kolego Andrzeju (elservise) postaram się odpowiedzieć na Kolegi post z dn. 25 01 2005 10:43, gdyż jest bardzo ciekawy temat ale z powodów chwilowego braku czasu i “błędów w sztuce” nie nadążam z odpowiedziami odnośnie postów skierowanych do mnie.

-Powtórzę i uzupełnię cytat z w/w lektury:
“Wprowadzenie osobnego przewodu ochronnego w instalacjach stałych z zerowaniem oznacza przejście od zerowania klasycznego w układzie TN-C do zerowania nowoczesnego w układzie TN-C-S (rys. 8.12). Za miejscem rozdzielenia przewodów ochronnego PE i zerowego N nie wolno ze sobą łączyć. Nie do pomyślenia jest zatem układ TN-S-C.”

Witam

Kolega EDI pisze:

Jednak trzeba czytać wszystkie tematy na forum, bo już wyjaśniliśmy sobie, że w układzie
TN-C-S z PEN wychodzi tylko N, a nie rozdziela się na PE i N, jak to w układzie TN-S.

To jest tylko kolegi wniosek z tej dyskusji, która dotyczyła modernizacji WLZ w starych
instalacjach i etapu pośredniego gdzie określenie układu nie jest proste bo nie pasuje
do określeń zawartych w normie. Układ ten jednak umożliwia po wykonaniu modernizacji
instalacji wszystkich mieszkań przejście na układ TN-C-S lub TN-S.

Na koniec cytat z punktu 312.2.1 PN-IEC 60364 (E-05009/3)

Rys. 31B System TN-C-S . Oddzielne przewody neutralne i ochronne
w części systemu sieci.

A jak się oznacza przewody ochronne i neutralne to już elektryk powinien wiedzieć.
Stąd nie rozumiem kolegi wypowiedzi.

A w tematach kulinarnych kolega pisze

Przyjąłem zasadę, że “apetyt rośnie w miarę jedzenia”, co powoduje, że “łakomczuchom” to nie pasuje.

Przyznaję, że lubię dobrze zjeść , ale nie zdarzyło mi się by w imię tej zasady rzucano mi na
stół półprodukty w dowolnej kolejności.
Dlatego z niecierpliwością będę oczekiwał na pełne danie by się nim delektować.

Witam!

-Miałem nadzieję, że (r_23_4) kuchnie gazowo-elektryczne.JPG był takim gotowym daniem (w postaci łakomego kąska).
-Załóżmy, że Problemu 3 (narysowanej przerwy na rurze gazowej) nie ma: -Wówczas odbiorniki (kuchnie gazowo-elektryczne) mają połączony przewód PE (z TN-C-S) kondygnacji najwyższej z PEN pozostałych kondygnacji z TN-C.
-Na najwyższej kondygnacji, powstaje taki układ, że na obudowę kuchni gazowo-elektrycznej podajemy PE z gniazdka i PEN rurą gazową.
Pytanie:
-Czy to jest prawidłowy układ połączeń wyrównawczych?
Odpowiedź:
-Moim zdaniem: -Nie!
P.S.
Polecam lekturę:
http://ise.pl/forum/viewtopic.php?t=6839&start=165
-Gdzie Kolega Andrzej (elservice) napisał:

Witam

Moim zdaniem TAK

Nie widzę sprzeczności z PBUE i PN-IEC 60364

Nie wiem komu kolega EDI poleca tą lekturę. Nie jest to trafiony wybór.

Witam Kolegę Edwarda (EDI) i wszystkich Kolegów na FORUM.
Kolego EDI, ja mam taką naturę że lubię dzielić włos na czworo, jak również słyszałem od Kolegów, że czasami za bardzo z tym przesadzam ale chyba już mnie pobiłeś w tym przesadzaniu.

Na to pytanie odpowiem gdy Kolega EDI odpowie nam czy prawie wszystkie instalacje w nowych obiektach są dobre wg zał. rys. 24.6. z książki “WYTYCZNE - Pomiary w elektroenergetyce” str. 453.

Witam!
-W nowych instalacjach, gdzie cała instalacja jest pięcioprzewodowa, a układ mający początek od uziemionego punktu rozdziału PEN na N i PE można nazwać TN-S, oddzielny przewód PE
(w całym obiekcie) pełni funkcję przewodu ochronnego.
-Wówczas prąd roboczy płynie przewodami L i N, natomiast przewód ochronny “czuwa nad naszym bezpieczeństwem”.
-W nowych instalacjach także przyłącza wodne czy gazow, wykonuje się rurami z tworzywa sztucznego (np. PE).
P.S.
-Czy tak trudno dostrzec różnicę w obu omawianych przypadkach (układach TN-C-S i TN-S obiektu)?
-Różnica tkwi w potencjałach poszczególnych przewodów […]. :smiley:
-Jaka jest różnica potencjałów przy przerwaniu PEN, a jaka przy przerwaniu tylko PE?

-Dobre są tylko te instalacje, które nie wymagają żadnych połączeń wyrównawczych.
W celu wyeliminowania zagrożenia od instalacji elektrycznej w układzie TN-S należy stosować RCD (-z sasadą ograniczonego zaufania).
-Uziemione połączenia wyrównawcze w układzie TN-S powstały prawdopodobnie z powodu (przekonania):
-Gdy zawiedzie RCD (przerwa PE), uratuje nas uziemienie rurami ( w tym rurą gazową).
-Chodzi tu o ochronę dodatkową (przed dotykiem pośrednim), a raczej jej uzupełnienie.
-Ja na tak daleki kompromis nie idę, więc wykonuję tylko uziom fundamentowy, z którym łączę szynki zbiorcze PE w rozdzielnicach, zabezpieczając się w ten sposób przed ewentualną przerwą PE.
-Rury zostawiam w spokoju.
P.S.
Jeśli chodzi o rys. 24.6. z książki “WYTYCZNE - Pomiary w elektroenergetyce” str. 453., to ciekawy jest opis pomiarów pętli zwarcia, który znowu jest “nie po mojej myśli”.