Bardzo proszę o podanie informacji o przepisach,dotyczących stosowania wyłączników serwisowych przy centralach klimatyzacyjnych.Czy reguluje to jakaś norma.
Dziękuję.
Witam
Nie sprawdziłem co mówią na to przepisy.
Jednak jeśli dobrze zrozumiałem funkcję tego wyłącznika serwisowego to dla mnie wydaje się czymś naturalnym, że każde urządzenie, maszyna, rozdzielnia ma aparat, łącznik (nie będę tutaj opisywał jaki) za pomocą którego możemy odłączyć, a w zasadzie to rozłączyć zasilanie tego właśnie urządzenia (i co za tym idzie, urządzeń z niego/niej zasilanych).
Witam
Czemu miałby służyć taki wyłącznik serwisowy?
Wyłączeniu napięcia? Przecież można urządzenie wyłączyć na czas np. przeglądu za pomocą zabezpieczeń (S-ka, bezpiecznik).
Wyłącznik serwisowy (zwany bypass-em ręcznym) stosowany jest przede wszystkim w UPS-ach (większych mocy), gdzie w przypadku przeglądu (np. wymiany baterii itp.) UPS-a należy pozbawić go napięcia, ale tak żeby nie pozbawić napięcia odbiorów zasilanych z niego.
Witam
Trzeba by określić dokładnie co to jest ten wyłącznik serwisowy w klimatyzacji.
Jednak ja go interpretuje takie jak opisałem w poprzedni poscie.
Służy on do wyłączenia całego urzadzenia w sytuacji awaryjnej oraz dla celów konserwacyjnych. Jest on umieszczony w miejscu łatwo dostępym.
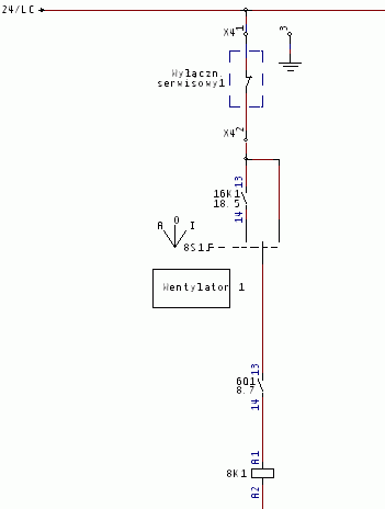
w szereg sterowania urządzenia zasilanego z rozdzielnicy klimatyzacji (rozdzielnicy wentylatorów, klimatyzatorów, itp.) włącza się styki zewnętrznego wyłącznika serwisowego, sterującego większą ilością rozdzielnic.
patrz schemat szafy wentylacji:
Czy regulują to jakieś przepisy,bo jeżeli nie to można go nie instalować.Nikt nie będzie miał podstaw prawnych, żeby to zanegować.
Jest to przycisk dla celów konserwacji? Serwisant używa go w trakcie konserwacji klimatyzacji?
Zewnętrznym wyłącznikiem serwisowym serwisant może, nie ingerując (nie wyłączając)urządzenia dokonać czynności regulacyjnych,oględzin w szafie sterowniczej
Witam
Kolego irekub proszę wyjaśnij jeszcze raz, bo jakoś nie rozumiem funkcji tego łącznika serwisowego:
- Rozłącza jeden odbiór czy grupę?
- Jakie to są czynności regulacyjne w przypadku gdy rozłącza np. jakiś wentylator? (jeśli może rozłączyć jeden odbiór)
Dziękuję
Czy regulują to jakieś przepisy,bo jeżeli nie to można go nie instalować.Nikt nie będzie miał podstaw prawnych, żeby to zanegować.
nieraz nie dlatego się coś stosuje, że przepisy wymagają, ale dlatego, że takie rozwiązanie jest pewnym standardem w tego typu instalacjach.
Witam
Kolego irekub proszę wyjaśnij jeszcze raz, bo jakoś nie rozumiem funkcji tego łącznika serwisowego:
- Rozłącza jeden odbiór czy grupę?
- Jakie to są czynności regulacyjne w przypadku gdy rozłącza np. jakiś wentylator? (jeśli może rozłączyć jeden odbiór)
Dziękuję
Powiem tak, nie zajmuję się zbytnio klimatyzacją i grzejnictwem ,natomiast mam do czynienia z obrabiarkami gdzie na drzwiach szafy sterowniczej jest zainstalowany taki wyłącznik na kluczyk.
Przekręcenie go powoduje zmostkowanie wyłącznika krańcowego otwartych drzwi szafy dla serwisu.
Witam.
-O odłączaniu izolacyjnym mówi norma 60364-5-537.
-Może to być rozłącznik w obwodzie siłowym, giazdo wtykowe, grzybek w układzie sterowania,…
-Lokalizacja powinna być w miescu widocznym dla konserwatora , aby mógł zareagować, gdyby ktoś przypadkowo chciał załączyć obwód i w druga stronę aby ktoś nie załanczał jeśli widzi monterów.
-Informacja w rozdzielni np. na zabezpieczeniu nie wystarczy.
-Jeśli technologia zezwala, może to być grupa odbiorów.
Pozdrawiam.
Witam
kolega rekub napisał
-
Powiem tak, nie zajmuję się zbytnio klimatyzacją i grzejnictwem ,natomiast mam do czynienia z obrabiarkami gdzie na drzwiach szafy sterowniczej jest zainstalowany taki wyłącznik na kluczyk.
Przekręcenie go powoduje zmostkowanie wyłącznika krańcowego otwartych drzwi szafy dla serwisu.
Wyłączniki serwisowe przy centralach wentylacyjnych mają zastosowanie jako zabezpieczenie przed załączeniem w czasie prac serwisowych .Powinny być montowane bezpośrednio przy centrali.Serwisanci niekoniecznie elektrycy wykonują różne prace konserwacyjne np wymiana pasków klinowych,wymiana filtrów itd.Często układy zasilania i sterowania wentylacją są oddalone od samych wentylatorów (dach obiektu wentylator układ sterowania wewnątrz obiektu).Podejrzewam że nikt nie chciał by wykonywać tych prac nie mając gwarancji że dane urządzemie nie zostanie załączone.
Pozdrawiam
Witam
Wreszcie mamy wyjaśnienie.
Dzięki wyjaśnieniu, które przedstawił kolega Stachxx, kolega komandos może poczytać w poście kolegi ELGUT (który przewidział, że wyłacznik serwisowy jest dla celów bezpieczeństwa) jakie funkcje powinien spełniać przycisk serwisowy oraz jakie przepisy o tym traktują.
Witam
Wyłącznik serwisowy służy do wyłączania części i zespołów maszyn dla przeprowadzenia prac o małym zakresie i przeprowadzanych w krótkim czasie.
Stosować zgodnie z EN 60204-1 dla
-przeprowadzania prac, które nie wymagają znaczącego demontażu maszyny
-nastaw wymagających stosunkowo mało czasu
-prac przy wyposażeniu elektrycznym gdy:
nie występuje zagrożenie porażenia prądem elektrycznym lub popażenia
wyłączenie poprzez prowadzących prace nie może zostać usunięte
zakres prac do wykonania jest niewielki
Środki bezpieczeństwa (funkcja Bezpieczeństwa)(EN 60204-1)Środki stosowane do eliminacji lub zmniejszenia zagrożenia.
Pozdrawiam wszystkich
