Wyłącznik różnicowo-prądowy - jak prawidłowo podłączyć?

Witam wszystkich kolegów elektryków i mam pytanie który ze sposobów podłączenia różnicówki jest prawidłowy na dołączonych rysunkach gdyż dostałem warunki techniczne od ZE w których pisze.

Sieć TN-C, moc 16KW. Skrzynka będzie usytuowana w granicy działki, wykonać odcinek lini kablowej czterożyłowej od złącza pomiarowego do tablicy rozdzielczej w budynku, gdzie należy wykonać uziemienie oraz rozdział przewodu PEN na PE i N.

I jaki kabel zastosować myślałem o miedzi 4x10 mm.


Witam.

Oba źle :frowning:

Proponuję zajrzeć do projektu, tam na pewno jest pokazane, w którym miejscu rozdzielić PENa oraz podany rodzaj i przekrój kabla.

Witam

Moim zdaniem, z elektrycznego punktu widzenia obie róznicówki pokazane na rysunkach będą działały poprawnie. Z tym, ze rysunek nr 1 jest lepszy ponieważ, punkt podziału zrobiony jest na szynie, różnicówka połączona jest za punktem podziału przewodem N z szyny.

Rozdział przewodu PEN na N i PE należy wykonać w szafce pomiarowej umieszczonej na granicy działki (dodatkowo wykonać uziemienie przewodu PE, w zależności od wymagań ZE uzyskać odpowiednią wartość rezystancji u mnie jest to <= 10 Ohm).

Przekrój i rodzaj kabla powinien być na schemacie przyłącza.

Ja tak to widzę, jeśli się mylę to proszę o korektę.

Pozdrawiam

Przewód PE i N należy rozdzielić w tablicy rozdzielczej zgodnie z podanym rys. 1.

Witam!

Rozdział przewodu PEN na N i PE jest podporządkowany pewnej zasadzie.
zasada podstawowa nakazuje najpierw chronic później zasilac.

Więc aby byc z nią w zgodzie żyłę PEN zawsze wpinamy do listwy PE. Następnie ową listwę łączymy z uziemioną GSW, przewodem którego przekrój jest ściśle powiązany z przekrojem przewodu zasilającego.
“OCHRONA” to jest pierwsza częśc wspomnianej zasady.
Zaś “mostek” (odpowiedniego przekroju) pomiędzy listwami PE i N pozwoli zasilic odbiorniki. To jest druga częśc zasady dobrej roboty.

warunki trochę dziwne, rozdział PEN na PE i N dokonywany jest zawsze w ZK
poza tym rozporządzenie nt. warunków technicznych budynków mieszkalnych i ich usytuowania wyraźnie mówi, że można w nich stosować wyłącznie sieć TN-S
wtedy nie ma problemu gdzie i jak wpiąć różnicówkę

przewód położyłbym 10 mm kw, z uwagi na spadek napięcia

Witam.
Mam wątpliwości co do prawidłowości rozumowania kolegi kkas12.
W opisanym przykładzie mostek stanowić będzie fragment przewodu N, ponad punktem podziału przewodu PEN na N i PE. Mostek ten będzie wykonany przekrojem mniejszym lub równoważnym jak żyła PEN w kablu zasilajacym. Co będzie jak ten mostek ulegnie uszkodzeniu. Wystąpi przerwa w przewodzie N przy załączonych pozostałych przwodach czynnych. Poza tym przez fragment listwy PE będzie płynął prąd “roboczy” co jest niedopuszczalne chciaż szyna staje się wtedy szyną aPEN a nie PE.
Podłączenie przewodu PEN do szynę N, uziemienie szyny PE oraz mostek między szynami N i PE powodują, że mostek nie jest obciążany prądem “roboczym”. Gdyby jednak doszło do jego uszkodzenia to funkcje ochronne przewodu PE zostaną zachowane bo przewód PE instalacji odbiorczej będzie nadal uziemiony, choć układ połaczeń nie będzie już TN.
pozdrawiam

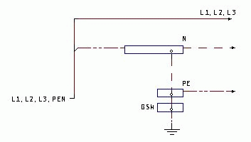
dla ułatwienia dyskusji proponuję schematy obu wersji połączeń.
czy już widać błąd w rozumowaniu?


Witam.
Dziękuje koledze Profus za rysunki.
Osobiście uważam, że przykład nr 1 jest błędny, natomiast nr 2 jest prawidłowy
(zgodnie z tym co pisałem wcześniej).
pozdrawiam

Witam!

A moim zdaniem uszkodzenie “mostka” (w wersji kolegi elkas) spowoduje oczywiście zmianę układu. Tylko użytkownik będzie tego nieświadomy. Pół biedy jeśli w obiekcie jest zamontowana uziemiona główna szyna wyrównawcza wtedy dotychczasowy układ TN-S stanie się w układem TT. Jednak dalej nie będzie wiadomo czy warunek SWZ będzie spełniony, ponieważ nikt w tym kierunku tego nie badał. Zaś stan taki może utrzymywac się do następnego badania instalacji lub do wypadku.
Natomiast w omawianym przypadku takie uszkodzenie natychmiast staje się zauważalne i może wprawdzie spowodowac uszkodzenia odbiorników, ale nie wprowadza żadnedo zagrożenia dla zdrowia i życia użytkowników.

Dla mnie sprawa jest prosta. Należy postępowac analogicznie jak postępowaliśmy w przypadku zerowania gniazd ze stykiem ochronnym w instalacjach TN-C.

Natomiast koledze grzegorzp proponuję odwiedzic doktora (dr Edward Musiała oczywiście).
Znajdzie tam kolega informację na temat podziału PEN na PE i N w złączu kablowym.
Dziś wielu dostawców energii ignoruje wspomniane rozporządzenie i węcz zakazuje dokonywania w ZK owego podziału.
Wie kolega jaki jest tego powód?

Witam.
Kolego kkas12.
Nie można w ten sposób porównywać obu przypadków. Z kilku powodów. Najważniejszym jest fakt, że prawdopodobieństwo uszkodzenia obwodu, przez który płynie prąd jest większe niż prawdopodobieństwo uszkodzenia obwodu ochronego, przez który prąd nie płynie .
Po drugie; przez przewód ochronny PE nie może przepływać prąd roboczy. A taką sytuację mamy w pierwszym przykładzie rysunkowym. Oczywiście możemy powiedzieć, że w tym przypadku szyna PE staje się szyną PEN. Jeżeli tak przyjmiemy, to gdzie mamy uziemiony przewód PE. Tu występuje sprzeczność z przepisami.
Zasada jest taka, że musimy uziemić przewód PE ( niekoniecznie w punkcie podziału). Możemy to zrobić dalej, ale najlepiej, jak najbliżej miejsca wprowadzenia przewodu do budynku i jeżeli to możliwe to w również w inych punktach.
Nawiązując do zakazu podziału PEN na N i PE w ZK to widzę w swojej okolicy, że ZE wycofuje sie powoli z tego zakazu bo oszczędności z tego tytułu nie są duże
Myślę, że nie ma to wielkiego znaczenia jeżeli wystepuje mozliwość wykonania takiego punktu podziału w innym miejscu. Największym problemem jest często wykonanie uziemienia ale realizując instalację obiektu w układzie TNS i tak musimy mieć GSU i połączenia wyrównawcze.
Uważam, że jeżeli złącze ZK jest odsunięte od obiektu zasilanego, to lepiej wykonać WLZ w układzie TNC i dokonać podziału w obiekcie np. w RG lub TL. Przepisy na to pozwalają jeżeli przekroje żył WLZ są odpowiednio duże ( 10mm2 dla Cu i 16mm2 dla Al) a przy dzisiejszych cenach przewodów jest to uzasadnione ekonomicznie. Oczywiście lepiej gdyby przewód PEN był uziemiony w ZK.

Witam

A jakie są przesłanki aby kabel od złącza do RG był pięcioprzewodowy.
Poza oczywistą korzyścią dla KGHM.

Jeśli uziemimy punkt rozdziału PEN w złączu i potem jeszcze raz uziemimy PE w RG poprzez GSU. To jaką role pełni PE od złącza do RG?

Pozdrawiam

kolego kkas12, nie wiem i proszę o wyjaśnienie

witam.

osobiście stosuję następującą kolejność podłączania PEN’a do dwóch szyn N i PE:

Witam!

Właśnie ostatni rysunek kolegi profus przedstawia zasadę, którą (byc może nieudolnie) starałem się przedstawic.