Witam 
Sądziłem, że KCS uzyskał już odpowiedź na swoje pytanie, jednak dyskusja trwa i może to lepiej, bo coś sobie tu jeszcze bedziemy mogli wyjaśnić. Zaczynam się gubić w tezach, jakie tu znajduję i pozwolę sobie przytoczyć kilka opinii, z którymi się zgadam lub nie zgadzam. Zacznijmy od uwagi zax’a:
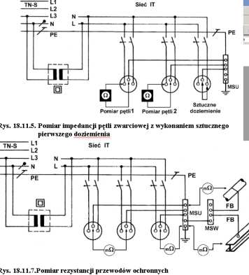
Na obu przytoczonych rysunkach widzę nieuzasadnione użycie litery N do oznaczenia jednego z przewodó roboczych. Tylko w sieciach trójfazowych może wystąpić przewód N, oznaczyłbym L4 i L5, lub La iLb.
W tym przypadku również ja uważam, że Krystyn popełnił błąd tak oznaczając jeden z przewodów. Z pozoru to tylko „literówka” jednak ma zasadnicze znaczenie, bo postawienie takiego oznaczenia obok znaku graficznego linii zasilającej mówi o czymś zupełnie innym! Kilka dni temu jeden ze znajomych pokazywał mi książkę o pomiarach pod redakcja Krystyna i zauważyłem tam ten sam błąd. Nie mogę się tez zgodzić z opinia Krystyna:
Proszę pamiętać, że w układach „IT” przy pierwszym doziemieniu nie płyną żadne prądy zwarciowe oprócz minimalnych prądów upływowych przy odpowiedniej instalacji.
A właśnie, że płyną !!! To właśnie jest prąd zwarcia doziemnego i tak się go określa w literaturze technicznej ! A to, że tak mały to uroda tego układu połączeń sieci. Dla porównania prąd ten dla sieci TN jest największy a dla TT gdzieś pomiędzy tymi dwoma wartościami. Jeszcze trudniej jest mi się zgodzić z opiniami Krystyna
Mnie chodziło o to aby nie mylić pojęć „pojedynczego zwarcia” inaczej „pierwszego doziemienia” z prądami upływowymi instalacji gdyż są to całkowicie inne zdarzenia i zagadnienia.
Nie bardzo wiem, co Krystyn chciał przez to powiedzieć, bo ja raczej widzę więcej podobieństw niż różnic.
I cytat z wypowiedzi marcina-ryba:
Śmiem się nie zgodzić z Kolegą w tym zdaniu, ponieważ o prądzie upływu mówimy, gdy jeden punkt sieci jest - celowo, bądź też nie - zwarty z ziemią i dopiero w takim układnie płynie prąd upływowy wynikający z pojemności sieci połączonej galwanicznie i który to prąd możemy zwać:
- prądem pojedynczego zwarcia z ziemią,
- prądem upływu sieci.
(nie wiem, jaka jest poprawna nazwa wynikająca z normy)
Wg mojej wiedzy prąd pojedynczego zwarcia części czynnej z ziemią w sieci IT jest często nazywany prądem zwarcia doziemnego lub krótko doziemieniem. Prąd upływowy to z kolei prąd, który cały czas płynie w sieci o nieuszkodzonej strukturze od części czynnych do ziemi, bez względu na to czy jest połączenie jakiegokolwiek części czynnej z ziemia czy nie np. poprzez dużą impedancje
A dlaczego płynie ? Dlatego, że struktura sieci ma rzeczywistą a tzn. skończoną wartość rezystancji izolacji i wynikającą z budowy linii pojemność. Stąd już blisko do kolejnego wniosku, że prąd upływowy ma dwie składowe: czynną i bierną. W tym momencie można by zapytać, to skoro cały czas płyną to dlaczego zabezpieczenia upływowe tego nie widzą ? Rzeczywiście nie widzą, ponieważ w urządzeniach przemiennoprądowych wypadkowy prąd upływowy jest wektorową (geometryczna) suma prądów upływowych poszczególnych faz. Dopiero w chwili uszkodzenia sieci (zwarcia z ziemią, metalicznego lub poprzez impedancję) dochodzi do asymetrii sieci i zaczyna płynąć prąd zwarcia doziemnego, który jest niczym innym jak właśnie prądem upływnościowym tej sieci.
Nie będę już dalej pisał o jego kierunku i wartości, by nie wprowadzać zbednego teoretyzowania, bo temat i tak sie rozrósł.
Zdaję sobie sprawę, że osób znających się bądź pracujących przy eksploatacji sieci IT jest zapewne niewiele, więc jest nadzieja, że moja wypowiedź, choć w niewielkim stopniu rozjaśni uczestnikom Forum pewną odmienność tego układu sieciowego od pozostałych, jeśli oczywiście moje stwierdzenia są poprawne. Mimo to liczę na konstruktywne uwagi, aczkolwiek nie gwarantuje szybkiej odpowiedzi. Ach ten czas ….