Czy mógłby ktoś mi wytłumaczyć ten schemat?
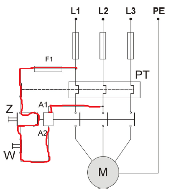
L1, L2, L3 - kolejne fazy zasilania
PE - przewód ochronny
F1 - bezpiecznik zabezpieczający obwód sterowania
Z - styk zwierny załączający obwód sterowania
W - styk rozwierny wyłączający obwód sterowania
A1, A2 - zaciski cewki stycznika
PT - przekaźnik termiczny, zabezpiecza silnik przed przeciążeniem
M - silnik
Zasada działania jest prosta, obwód sterowania stycznika połączony jest za pośrednictwem styku pomocniczego NO. Po zamknięciu styku Z chwilowo zamykamy obwód, załączając stycznik. Styk NO zostaje wówczas zwarty i od tej pory to przez niego płynie prąd cewki, zatem stycznik pozostaje włączony. Chcąc wyłączyć silnik przerywamy obwód sterowania stykiem rozwiernym W, przez co styk pomocniczy NO otwiera się. Tyle ![]()
To jest najzwyklejsze sterowanie silnika poprzez stycznik z wyzwalaczem termicznym, przyciskami załącz/wyłącz. Trochę nie poprawnie narysowane jest podtrzymanie…
Tak więc, na cewkę stycznika mamy podaną stałą fazę L2 i jeśli naciśniemy przycisk załączenia ,Z" wówczas na drugi koniec cewki zostanie podana faza L1 i stycznik załączy. Jeśli już załączy i puścimy przycisk ,Z" faza L1 zostanie podtrzymana przez styki NO stycznika. Należy zauważyć, że przycisk ,W" jest włączony szeregowo w podtrzymanie fazy L1 i po jego naciśnięciu obwód rozwiera się i prąd do cewki przestaje płynąć. Dodatkowo sterowanie jest zabezpieczone stykiem przekaźnika termicznego PT, który ma za zadanie rozłączenie stycznika w przypadku pobierania przez silnik zbyt dużego prądu, który może spowodować uszkodzenie uzwojeń silnika.
Jeżeli puścimy przycisk Z to wtedy prąd będzie płynął z L1 i przez to wystające połączenie co jest po lewej stronie cewki stycznika?
,Z" to jest przycisk załączenia, który wraca na swoją pozycję, natomiast ten styk pod nim, który powinien być opisany jako styk ,NO" stycznika, po załączeniu zmienia pozycję z ,NO" na ,NC" i tym samym podtrzymuje fazę do momentu wyłączenia przyciskiem ,W" lub ,PT"
Rozumiesz już?
Tak, i jeśli rozewrzesz W, to się układ wyłączy.
O to mi chodziło. Dziękuję za łopatologiczne wytłumaczenie.
Schemat jest błędny , takowy schemat nie może być używany .
Od siebie dodam, iż istnieje duże prawdopodobieństwo że autorem tego schematu jest nauczyciel ![]()
Generalnie źle jest narysowane podtrzymanie, ale starałem się wyjaśnić pytającemu, tak, żeby zrozumiał w czym rzecz.
Istotny błąd to napięcie międzyfazowe jakie zostało tam zastosowane. Zgodnie z przepisami napięcie ma być bezpieczne . Napięcie może być większe od bezpiecznego ale są wtedy obostrzenia przy wykonaniu takiego obwodu .
Gdyby nawet rysunek potraktować poglądowo ( dla nauki) to w fazie L2 w obwodzie sterowania ma się znaleźć drugi bezpiecznik . Bo wypadku zwarcia przewodu sterowania do PE prąd zadziałania będzie równy wartości zadziałania bezpiecznika z obwodu siłowego . A tego przewód zasilający cewkę może już nie wytrzymać.

