SOFTSTART Sterowanie, bezpieczeństwo.

Witam,

Mam do podłączenia układ z softstartem Altistart 22 - Sofstart
https://www.schneider-electric.pl/pl/download/document/Katiu/ <—instrukcja
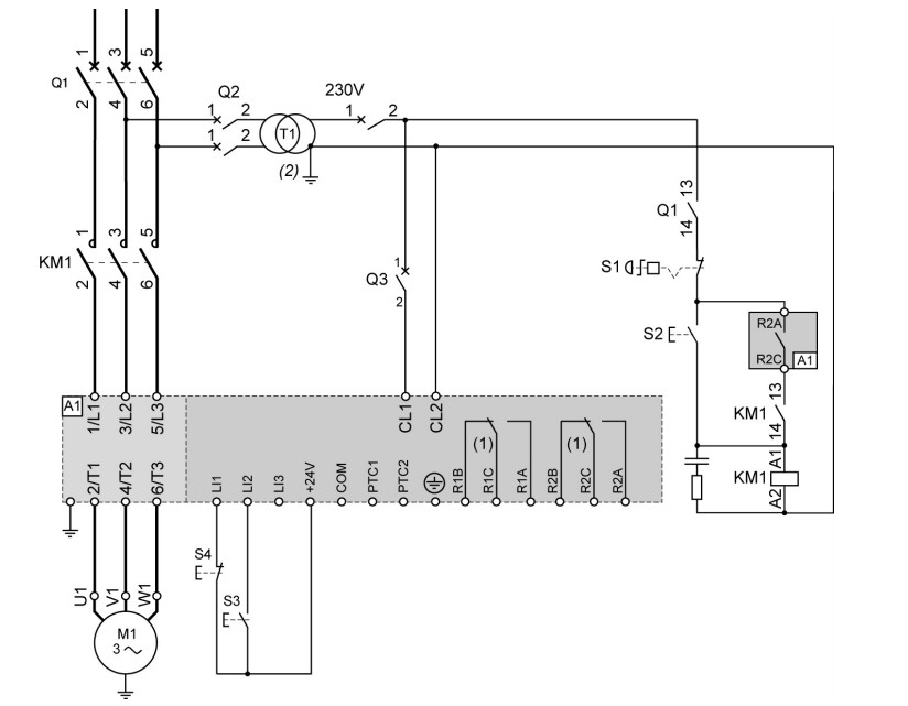
Chciałem dopytać o sterowanie, strona 38 w pliku.
Analizując schemat i przebiegi to mam nacisnąć S3 i trzymając go nacisnąć S2 aby układ wystartował. Nie bardzo rozumiem co miał autor na myśli? bezpieczeństwo? Operator ma obie ręce zajęte (2 przyciski)

Pierwszy raz podłączam taki softstart wiec chciałem zapytać jak wy to robicie. Bo mnie aż kusi żeby przyciski S2 i S3 zastąpić jednym z dwoma stykami NO.

Chciałem jeszcze zapytać o układy bez stycznika. Softstarty małej mocy maja tylko 2 tory z tyrystorami, a trzeci jako przelot czyli silnik cały czas jest pod napięciem. Czy z praktycznego punktu widzenia jest to bezpieczne? U mnie koledzy elektrycy to jak widzą, że silnik nie pracuje to można pchać palce na zaciski np. do zrobienia pomiaru izolacji silnika. Bo kaseta sterująca jest obok nich i nikt nie załączy :slight_smile:

Ostatnie pytanie gdy chce zrobić pomiar stanu izolacji kabla softstart-silnik. Czy muszę wykonać rozwarcie obwodu przy softstarcie(W teorii tak, bo mam zmierzyć sam kabel). Nie znalazłem informacji czy napięciem probierczym 500 czy 1000V mogę zniszczyć tyrystory.

Sposób działania układu jest inny. Po podaniu zasilania naciskasz S2, załącza się KM1 i zamykają się w nim styki 13-14, co przy zwartych stykach przekaźnika R2 powoduje, że układ staję się samopodtrzymujący i można puścić S2. Wtedy układ jest gotowy do pracy i można nacisnąć S3 w celu uruchomienia silnika. Reasumując - S2 tylko po zaniku (odłączeniu zasilania) lub rozłączeniu przekaźnika R2 (zgodnie z opisem R2 rozłącza się w przypadku zaniku napięcia zasilającego), S3 i S4 do uruchamiania i zatrzymywania silnika.

[quote=“jakubb, post:1, topic:13490, full:true, full:true”]
Chciałem jeszcze zapytać o układy bez stycznika. Softstarty małej mocy maja tylko 2 tory z tyrystorami, a trzeci jako przelot czyli silnik cały czas jest pod napięciem. Czy z praktycznego punktu widzenia jest to bezpieczne? U mnie koledzy elektrycy to jak widzą, że silnik nie pracuje to można pchać palce na zaciski np. do zrobienia pomiaru izolacji silnika. Bo kaseta sterująca jest obok nich i nikt nie załączy :slight_smile:
[/quote]
Spotkałem się z nowoczesnymi maszynami (włoskimi), z rozruchem gwiazda-trójkąt, gdzie silniki są cały czas pod napięciem (brak stycznika sieci). Także koledzy “elektrycy” może niech uważają.

Trzeba pamiętać że normalny softstart bez specjalnych wejść bezpieczeństwa nie jest urządzeniem mogącym bezpiecznie wyłączyć silnik w rozumieniu dyrektywy maszynowej. Czyli łopatologicznie: nie można go używać jako element odcinający napięcie po wciśnięciu “grzyba”.

A czy trzeba stosować stycznik to już zależy od konkretnego urządzenia, zagrożenia jakie powoduje i jego konstrukcji.
[quote=“jakubb, post:1, topic:13490, full:true, full:true”]
Ostatnie pytanie gdy chce zrobić pomiar stanu izolacji kabla softstart-silnik. Czy muszę wykonać rozwarcie obwodu przy softstarcie(W teorii tak, bo mam zmierzyć sam kabel). Nie znalazłem informacji czy napięciem probierczym 500 czy 1000V mogę zniszczyć tyrystory.
[/quote]
Teoretycznie nie, w praktyce lepiej nie sprawdzać, troszkę za drogi sprzęt :wink:

Witam panowie posiadam ten sam sofstart do podłączenia tylko patrząc na schemat nie do końca rozumie podłączenie w trójkąt uzwojeń silnika. Podłączenie w trójkąt przez łącznik lub automatyczny przełącznik gwiazda/trójkąt i także większości sofstartów odbywa się przez połączenie ze sobą uzwojeń U1-W2 V1-U2 W1-V2 a w przypadku altistart 22 schematu jest U1-V2 V1-W2 W1-U2. Poniżej zamieszczam schemat :slightly_smiling_face:

Na schemacie Altistart22 też robi się trójkąt - tylko łączony jakby w drugą stronę. Zastanawiam się jedynie czy nie spowoduje to zmiany kierunku obrotów ?

Obroty można zmienić przekładając przewody na zaciskach jest opisane na poniższym schemacie wrzucę jak by ktoś potrzebowała.
Tylko nie spotkałem się nigdy z takim układem połączeń w trójkąt i nie byłem pewny ale teraz już rozumiem :smiley:

Panowie potrzebuje jeszcze pomocy sofstart podłączony i zaprogramowany według instrukcji producenta . Silnik Połączony w trójkąt według schematu powyżej. Silnik 75Kw prąd znamionowy 135A Wkładka zapięczajaca WT-oo/gG 160A . Silnik podczas startu przepala wkładkę lub czasem wystaruje. Po kilku rozruchach wkładka się rozlatuje. Co może być przyczyną?

[quote=“dawidgta, post:7, topic:13490, full:true, full:true”]
Silnik podczas startu przepala wkładkę lub czasem wystaruje.
[/quote] To cały czas ta sama faza?

Zależy raz przepala drugą fazę według rotacji a czasem pierwszą u drugą tak jak by zawarcie było w czasie startu. Nie za bardzo się mi podoba ten układ 6 przewodowy w trójkąt żaden producent tak nie ma tylko Schneider. Zazwyczaj jest w standardzie U1-W2 V1-U2 W1-V2. Silnik spiołem w środku w trójkąt jak na drugim przykładzie i metodą 3 przewodową spróbuję wystartować w układzie liniowym.

Nie znam parametrów tego urządzenia, ale wygląda mi to na softstart 2-fazowy a wtedy jedna faza ma duży prąd rozruchowy - wykluczam w rozważaniu uszkodzony silnik, zakładam, że to sprawdziłeś. Przy ciężkim rozruchu bezpieczniki o których piszesz mogą być po prostu za małe. Zajrzyj na 52 i 53 str. załączonego opracowania, rozdz. pt.: “Sterowanie 2-fazowe a 3-fazowe”.
https://library.e.abb.com/public/d8206191e218208dc125799c004aa0f8/1SFC132060M0201PL.pdf

[quote=“dawidgta, post:7, topic:13490, full:true, full:true”]
Silnik 75Kw prąd znamionowy 135A Wkładka zapięczajaca WT-oo/gG 160A
[/quote]
Po pierwsze wkładka za mała bo licząc "na piechotę " prąd rozruchowy li tylko jak 5x to wychodzi że wkładka powinna być 250 A( nie wchodzimy w parametry kabla którego wartości nie znamy) , ale gorsze jest to że wkładka jest typu 00 ma być przy takim prądzie WTI . Chodzi o odprowadzenie ciepła przy rozruchu.

Zgadza się za małe zabezpieczenie było jest teraz zwiększone na WT-1 250 AM. Mimo to silnik w połączeniu wewnątrz w trójkąt jak na schemacie producenta pod dwóch rozruchach wyzwalał nawet te wkładki. Silnik został podłączony w trójkąt na stałe i metodą 3 przewodową w linie zasilająca . Silnik startuję bez problemu. Wniosek z tego taki schemat producenta jest błędny a co najlepsze tylko Schneider ma taki układ połączeń wewnątrz trójkąta reszta producentów ma standardowy.