Podłączenie silnika komutatorowego.

Kolega przyniósł mi po przezwojeniu silnik komutatorowy prądu zmiennego 1800 W 4500 obr / min.W związku z tym, że jestem niespotykanie przemiłym facetem, więc mimo tego, że silniki to nie jest to, „co tygryski lubią najbardziej” podjąłem się mu pomóc.

A tu kols.Silnik jest od pilarki REXON M2500A. Uznałem (nie wiedzieć dlaczego, że jest to silnik szeregowy, więc połączyłem go: faza, szczotka wirnika 1, szczotka wirnika 2, połączone szeregowo uzwojenia stojana, neutralny. Do tego wszystkiego „zasmażka” w postaci kondensatora 0,22 uf, który potraktowałem jako „zakłóceniowy” i połączyłem „R” „N”.

Wszystko to razem pakuję do sieci a silnik mi mówi, że jestem amator i wierzcie lub nie - buczy. O nie. Nie będzie tu na mnie buczał jakiś byle komutatorowiec jeden. Zamieniam kolejność podłączenia szczotek zaczyna kręcić „komuch” jeden w lewo. I tak, co bym nie robił to albo na mnie buczy albo kręci w lewo.Co robić?. Jak się kolega dowie, że silnik na mnie buczy – przechlapane.

Jak się obecna władza dowie, że kręci w lewo – przechlapane.Koledzy POmóżcie i PiSzcie.

Na prąd zmienny tylko jako komytatorowe sa silniki szeregowe, chyba nie trafiłes na cos specjalnego. Problem chyba polega, na odpowiednim połaczeniu wirnika i stojana, czy pamietasz jak był łączony stojan,

Nie.Dostałem pilarkę kompletnie “rozbebeszoną”.
Ps.
W książkach piszą także o bocznikowych, ale to całkiem inna historia jest.

Witam.
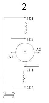
Sprostowanie, cewki stojana połączone były szeregowo więc całość spiąłem jak na rys 1, ale zastanawiam się czy nie powinno być jak na rys 2.Czy może to mieć znaczenie?
Pozdrawiam.


Witam

A czy wirnik był nawinięty identycznie jak stary. Szlifierki kątowe boscha też tak mają i są silnikami szeregowymi. Jest to celowe działanie służące temu aby lewe obroty nie odkręcały tarczy. Nie jestem pewien ale może tu mieć znaczenie ustawienie szczotkotrzymaczy.

Pozdrawiam

Przezwajał go na podstawie spalonego “fachowiec” więc nie mam podstaw sądzić, że zrobił to źle chociaż…

Jest to celowe działanie służące temu aby lewe obroty nie odkręcały tarczy.

No tak, tylko,że on próbuje kręcić wyłącznie w lewo zaś przy innej konfiguracji wykonuje 1/10 obrotu i robi buuuuuu…

może tu mieć znaczenie ustawienie szczotkotrzymaczy

W jakim sensie?Co mam zmienić, co poprawić?Cały czas nurtuje mnie to połączenie stojana.Czy możliwe jest że
“fachowiec” tu popełnił falstart?
PS.Z góry przepraszam FACHOWCA za cudzysłów.Być może połączenie jest w porządku.

Witam

Połączenie stojana względem wirnika to nic trudnego. Choć pomylić się zawsze można. Najprościej mówiąc dwie cewki łączy się na krzyż między sobą a końce odpowiednio w szereg ze szczotką i fazą. Kiedyś też miałem taki przypadek. Miałem wymienić wirnik w Bosch, gość dał mi wizualnie taki sam, szlifierki prawie takie same choć symbol różnił się. No i problem jak Twój. W lewo chodzi w prawo nie. Po włożeniu wirnika zgodnego z symbolem wszystko działa prawidłowo, przy próbie zmiany obrotów nie działa (na tym samym stojanie). Wniosek, chyba coś musi być w sposobie uzwajania wirnika lub jego łączenia. Nie jestem specjalistą, choć ze 20 lat temu przezwajałem wirniki, takie czasy były.

Pozdrawiam