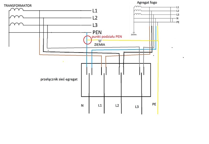
Podłączenie agregatu prądotwórczego

Witam wszystkich, zarejestrowałem się na tym forum jako elektryk, lecz moje doświadczenie jest jeszcze niewielkie ponieważ niedawno zakończyłem naukę. Mam do połączenia do budynku agregat prądotwórczy FOGO 27kVA 3 fazowy. Sieć jaka tu panuje to TN-C-S, Czy mój schemat poglądowy jest poprawny? podłączenie przełącznika znajduje się za punktem podziału PEN, bo z tego co się orientuję PENa rozłączać nie można nigdy, proszę o sugestię pozdrawiam Damian

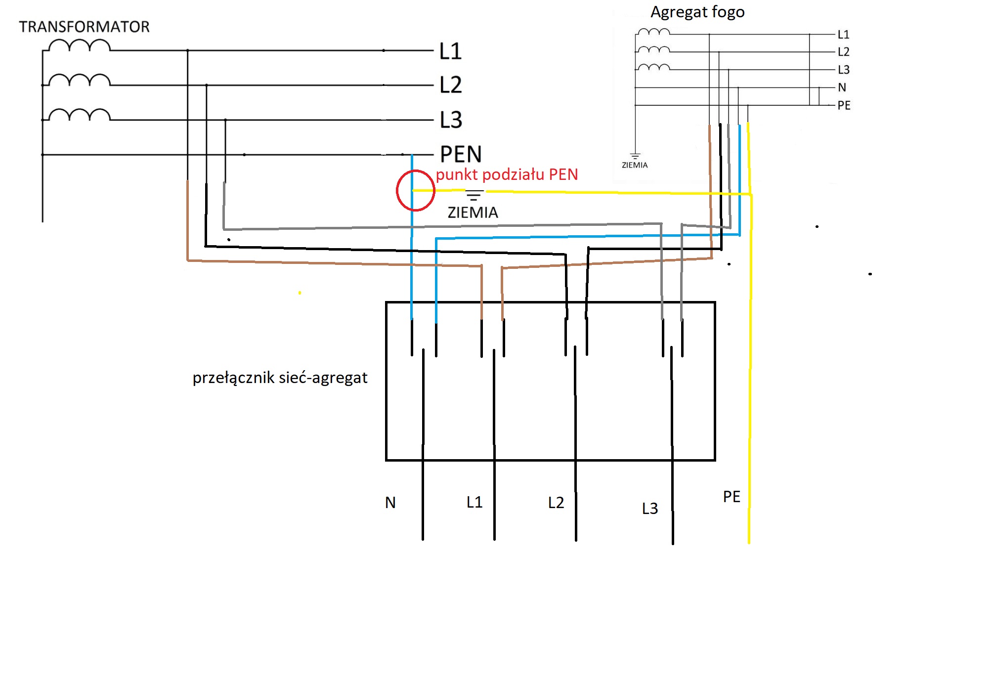
w załączniku schemat z painta i schemat agregatu
PS proszę wybaczyć ale mistrzem Painta nie jestem


[quote=“damian00136, post:1, topic:14977, full:true, full:true”] …

w załączniku schemat z painta i schemat agregatu …
[/quote]
Wpierw popraw schemat agregatu. Łączysz L1 agregatu z N i PE, to pierwszy błąd, a drugi błąd to połączenia PE agregatu z N przełącznika.

schemat agregatu jest z instrukcji producenta, ale faktycznie w rysunek painta wkradł mi się błąd ( gumka nie starłem całej ścieżki) a odnośnie drugiego błędu może źle to widać ale PE agregatu było by podłączone z PE po podziale PENu, a N leci do przełącznika

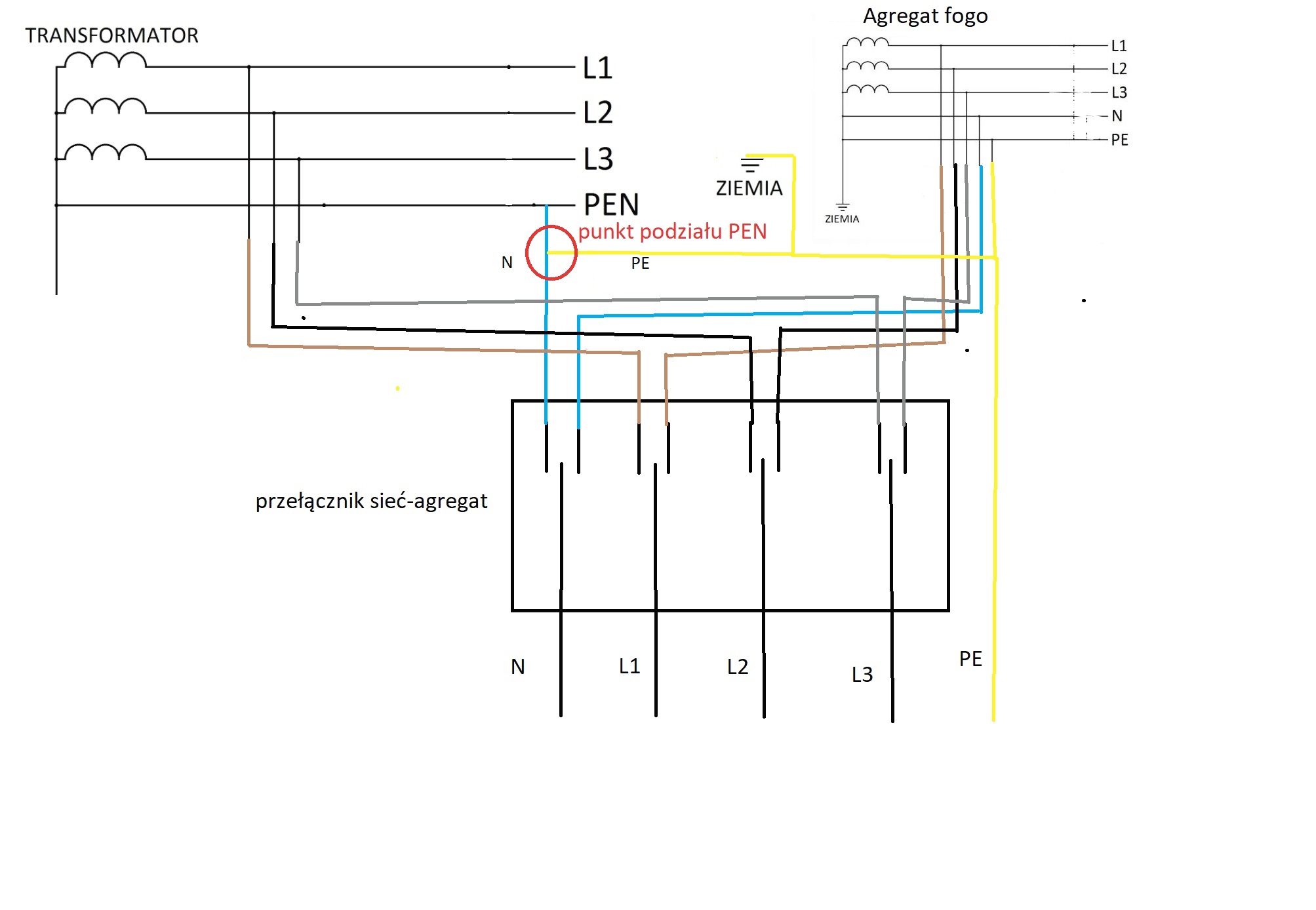
edit. w załączniku poprawiony rysunek

[quote=“damian00136, post:1, topic:14977, full:true, full:true”]
moje doświadczenie jest jeszcze niewielkie ponieważ niedawno zakończyłem naukę.[/quote]
Świetnie. Poprosimy teraz rysunki, mogą być odręczne z zastosowaniem symboli elektrycznych - tak jak uczyli Cię w szkole. Takie rysunki-maluki to może wykonać osoba bez nauki kierunkowej zwaną malarzo-hydrauliko-glazurniko-tynkarzo-elektrykiem.

Wypadało by wykonać rysunek zgodnie ze sztuką, aby nie zaniżać poziomu swojego zawodu, a tym samym szacunku klientów do zawodu elektryka.
[quote=“damian00136, post:1, topic:14977, full:true, full:true”] Mam do połączenia do budynku agregat prądotwórczy FOGO 27kVA 3 fazowy.[/quote]
No widzisz jakie to proste - chwilka i zrobione. Czyli tanie!
[quote=“damian00136, post:1, topic:14977, full:true, full:true”] Sieć jaka tu panuje to TN-C-S,[/quote]
Nie wstyd Ci używać wyrażeń i określeń jak wykonawca nie posiadający wykształcenia kierunkowego, taki spod Jutuba?

[quote=“damian00136, post:1, topic:14977, full:true, full:true”]
…Mam do połączenia do budynku agregat prądotwórczy FOGO 27kVA 3 fazowy. …
[/quote]
Jeśli występujesz jako wykonawca a nie masz wiedzy i doświadczenia, to zażądaj wytycznych od zlecającego, jak masz wykonać instalację. Przecież to nie wstyd nie wiedzieć, wstyd się do tego nie przyznać i robić źle.

Wiedz też, że wykonanie instalacji należy zakończyć pomiarami.

Kto je ma wykonać?

[quote=“profus, post:5, topic:14977, full:true, full:true”]
występujesz jako wykonawca a nie masz wiedzy i doświadczenia[/quote]
Przecież wiedzę ma, właśnie skończył szkołę - pochwalił się na samym początku.

Doświadczenia rzeczywiście nie ma - całkowicie rozumiem.
[quote=“profus, post:5, topic:14977, full:true, full:true”]
to zażądaj wytycznych od zlecającego, jak masz wykonać instalację.[/quote]
Zastanów się co piszesz. Potrzebujesz zrobić COŚ (cokolwiek). Idziesz do osoby po szkole i teraz mówisz mu po kolei co ma robić i jak?

Na przykład idziesz do lekarza, mówisz mu że tu i tam cię boli, potem mówisz, że chcesz takie leki w takiej dawce.
[quote=“profus, post:5, topic:14977, full:true, full:true”] Przecież to nie wstyd nie wiedzieć, wstyd się do tego nie przyznać i robić źle.[/quote]
Przecież to jest proste, glazurnicy robią instalacje, a tu trzeba przykręcić kilka śrubek, to też po paru poradach z forumów zrobią. I to taniej niż elektryk po szkołach-inżynierach!
[quote=“profus, post:5, topic:14977, full:true, full:true”] Wiedz też, że wykonanie instalacji należy zakończyć pomiarami.[/quote]
Ale czy to jest konieczne? Zlecenie było na podłączenie agregatu. Robi bruuuuuummmmmmm, żarówka się świeci, jest dobrze.
[quote=“profus, post:5, topic:14977, full:true, full:true”] Kto je ma wykonać?[/quote]
Miernik.

W mierniku jest przycisk pomoc, trzeba włożyć do gniazdka, nacisnąć start, piiiiip, zielony. Transferuj do programu, drukuj.

Żadna kosmiczna technologia, to nie samochód z kosmicznym dezajnem i nieziemskom technologiom, to proste włożenie wtyczki miernika do gniazdka.

[quote=“damian00136, post:1, topic:14977, full:true, full:true”] Sieć jaka tu panuje to TN-C-S,[/quote]
Nie wstyd Ci używać wyrażeń i określeń jak wykonawca nie posiadający wykształcenia kierunkowego, taki spod Jutuba?

[/quote]



co jest złego w tym określeniu, i czemu by mi miało być wstyd? napisz jak człowiek normalnie a nie przeżywasz każde zdanie, trzepiesz sie tam do takich wypisów?

Schemat oczywiście zamieszczę jasnie miłującemu paniczowi, jak znajde tylko chwile na rysowanie.

Panuje w naszym pieknym kraju przeświadczenie że młodego to trzeba zjechać najlepiej przy wszystkich i pokazać że nic nie potrafi. wtedy jest to jakiegoś rodzaju pożywką dla np. KonradaOW którzy karmią swoje ego.

W zasadzie się wszystkiego dowiedziałem, nie pytać specjalistów w internecie . nie żałowałem sobie na literaturę specjalistyczną, wiec udam się tam poszerzyć wiedze, która zapewniam już w tym momencie wystarczyła żeby wszystkie egzaminy zdać na 100%, pozdrawiam

Kolego damian00136, przesyłam Ci bardzo dobre opracowanie dr E. Musiała, w nim rys 16 obrazuje doskonale twój problem. Niemniej poświęć chwilę czasu na lekturę całości bo kol. profus zwrócił Ci uwagę na bardzo ważną kwestię : [quote=“profus, post:5, topic:14977, full:true, full:true”]
Wiedz też, że wykonanie instalacji należy zakończyć pomiarami.
[/quote] . Na koniec powinieneś udowodnić, że instalacja zasilana z agregatu jest bezpieczna, mówiąc krótko, pomiarami masz wykazać poprawność ochrony przeciwporażeniowej “podstawowej” i “przy uszkodzeniu”. O ile podstawowa z reguły nie stanowi problemu, to nad ochroną przy uszkodzeniu trzeba sie już pochylić ponieważ najczęściej nie jest to najpopularniej przyjęte samoczynne wyłączenie zasilania realizowane przez bezpieczniki/wyłączniki nadprądowe.

<LINK_TEXT text=“http://www.edwardmusial.info/pliki/ochr … elektr.pdf”>http://www.edwardmusial.info/pliki/ochrona_zespoly_spalin_elektr.pdf</LINK_TEXT>

Dziękuję za opracowanie, zapoznałem się (tak jak z wieloma opracowaniami pana Edwarda) z treścią, rozwiązuje to mój problem, także bardzo dziękuję Koledze elmontjs. Co do pomiarów to na pewno zlecę to komuś z miernikiem, bo takiego się jeszcze nie dorobiłem, a zapewne będzie to potrzebne do zgłoszenia do ZE, także dziękuję jeszcze raz.

[quote=“damian00136, post:9, topic:14977, full:true, full:true”]
Co do pomiarów to na pewno zlecę to komuś z miernikiem
[/quote] Proszę mnie nie zrozumieć źle, ale pomiary po wcześniej nieprzemyślanym rozwiązaniu prawidłowej ochrony przeciwporażeniowej mogą tylko przysporzyć kolejnych kłopotów z inwestorem.

Podłączenie agregatu jako rezerwowego źródła zasilania nie jest prostym tematem a bardzo często bagatelizowanym przez nieświadomych elektryków, czego konsekwencje wychodzą w trakcie okresowych przeglądów. Nie bierz , proszę, do siebie zwrotu “nieświadomy” , i tak się ciesze, że podejmujesz wyzwanie i szukasz rozwiązań, co jest wielkim plusem.

Na szybko spróbuje coś podpowiedzieć a pewnie temat rozwiną koledzy. Nie mówię że zawsze tak jest, ale często ochrona pp przy uszkodzeniu dla urządzeń zasilanych z agregatu wymaga innych środków niż SWZ zapewniony przez bezpiecznik - pętla zwarcia często nie gwarantuje wyłączenia zasilania w wymaganym czasie. Dlatego napisałem wyżej, że możesz się spodziewać “negatywnych pomiarów” rodzących kłopoty z odbiorem. Zatem kwestię ochrony pp przy uszkodzeniu trzeba przemyśleć i uświadomić o rozwiązaniach technicznych (w tym kosztach) inwestora już na etapie projektowania takiego rozwiązania. Wciąż pamiętając, że musimy zapewnić ochronę pp podstawową, przy uszkodzeniu i uzupełniającą.

jestem tego świadomy, agregat nie jest typowym chińczykiem, jako dodatkową ochronę ma wbudowaną różnicówkę, dodatkowo bedzie miał swoje uziemienie ramy szpilką no i z gniazda do uziemienia domu który badanie ma i jest sprawny

[quote=“damian00136, post:7, topic:14977, full:true, full:true”] co jest złego w tym określeniu, i czemu by mi miało być wstyd? napisz jak człowiek normalnie a nie przeżywasz każde zdanie, trzepiesz sie tam do takich wypisów?[/quote]
Wszystko jest dobrze w Twoich określeniach - jest tanio.

Inwestorzy, którzy natrafia na ten wątek na szczęście będą wiedzieli że elektryk po szkole nawet nie potrafi nazwać prawidłowo aparatów, więc jest niewiele wart i można mu się <jak to ładnie określiłeś> na twarz razem z pomocnikiem ogólnobudowlanym w duecie.
[quote=“damian00136, post:7, topic:14977, full:true, full:true”] Podłączenie agregatu jako rezerwowego źródła zasilania nie jest prostym tematem[/quote]
Nie strasz kolegi, przecież zrobił ładny malunek, koledzy go poprawili.

Poskręca zgodnie z malunkiem i będzie dobrze.
[quote=“damian00136, post:7, topic:14977, full:true, full:true”]
(…) już na etapie projektowania takiego rozwiązania.[/quote]
Tylko, że projektuje projektant, a to jest takie proste, że szkoda pieniędzy na jakiegoś durnia co narysuje parę kresek w pejncie i będzie chciał tysiaka. Projekt był niżej
[quote=“damian00136, post:7, topic:14977, full:true, full:true”]
a zapewne będzie to potrzebne do zgłoszenia do ZE,[/quote]
Zobacz, bo może wystarczy podpisik, że są i niepotrzebnie wydasz pieniądze na pomiarowca.
[quote=“damian00136, post:7, topic:14977, full:true, full:true”] Wciąż pamiętając, że musimy zapewnić ochronę pp podstawową, przy uszkodzeniu i uzupełniającą.[/quote]
Przecież od tego są obliczenia techniczne przed rozpoczęciem prac, a nie po i wymyślanie co by tu dać, żeby tanio działało.
[quote=“damian00136, post:7, topic:14977, full:true, full:true”]
Panuje w naszym pieknym kraju przeświadczenie że młodego to trzeba zjechać najlepiej przy wszystkich i pokazać że nic nie potrafi.[/quote]
Trzeba było narysować zgodnie z przyjętymi symbolami - nie byłoby problemu. Kwadraciki z kolorowymi patyczkami to dla glazurnika. Kolory będzie miał po to, żeby mu się druciki nie pomyliły.

A młody ma przeświadczenie, że trzeba mu dać, bo mu się należy.
[quote=“damian00136, post:7, topic:14977, full:true, full:true”] wtedy jest to jakiegoś rodzaju pożywką dla np. KonradaOW którzy karmią swoje ego.[/quote]
Tobą karmię ego w portfelu inwestorów, a nie swoje. Jak sam widzisz elektryka jest prostym zawodem, a w związku z tym jest tania. Zrobi każdy, żadna haj technologia.

Pozdrawiam

Autorze tematu - po co tworzysz - zresztą z błędami - schemat dostępny w Internecie. Zresztą na każdym przełączniku jest opis zacisków, więc nawet ten schemat jest zbyteczny. Trochę więcej myślenia.
Kol. elmontjs napisał:
“Podłączenie agregatu jako rezerwowego źródła zasilania nie jest prostym tematem a bardzo często bagatelizowanym przez nieświadomych elektryków,…”
Potwierdzam, bo swego czasu spotkałem agregat z przewodem zakończonym wtyczką wkładaną do gniazdka domowej instalacji w przypadku braku zasilania. Właściciel nie widział w tym nic złego, bo przecież wpierw odcinał sieć wyłącznikiem głównym.
Kol. Profus napisał:
“Jeśli występujesz jako wykonawca a nie masz wiedzy i doświadczenia, to zażądaj wytycznych od zlecającego, jak masz wykonać instalację. Przecież to nie wstyd nie wiedzieć, wstyd się do tego nie przyznać i robić źle.”
Bzdury. Czy lekarz zadaje Ci pytanie - jak mam pana zbadać, proszę o wytyczne. :laughing:
i końcowe zdanie:
“Wiedz też, że wykonanie instalacji należy zakończyć pomiarami.”
jest wyświechtane jak papier toaletowy kończący pewne czynności.

[quote=“domsat, post:13, topic:14977, full:true, full:true”]
Potwierdzam, bo swego czasu spotkałem agregat z przewodem zakończonym wtyczką wkładaną do gniazdka domowej instalacji w przypadku braku zasilania
[/quote] :lol: jakże popularne zjawisko: <LINK_TEXT text=“viewtopic.php?t=17164”>Podłączenie instalacji do agregatu - Błędy w sztuce - ISE.pl - Forum Elektryka</LINK_TEXT>

[quote=“domsat, post:13, topic:14977, full:true, full:true”]
…Kol. Profus napisał:

“Jeśli występujesz jako wykonawca a nie masz wiedzy i doświadczenia, to zażądaj wytycznych od zlecającego, jak masz wykonać instalację. Przecież to nie wstyd nie wiedzieć, wstyd się do tego nie przyznać i robić źle.”

Bzdury. Czy lekarz zadaje Ci pytanie - jak mam pana zbadać, proszę o wytyczne. :lol:

i końcowe zdanie:

“Wiedz też, że wykonanie instalacji należy zakończyć pomiarami.”

jest wyświechtane jak papier toaletowy kończący pewne czynności.
[/quote]
Jeśli masz awersję do mnie z jednego wątku, to odpowiedz w nim, bo odgryzanie się w drugim wychodzi ci słabo i bez logiki.

A lekarzem się nie posługuj, bo nie umiesz dopasować twego wtrętu do postu, jest to wyświechtana pomoc gdy zabraknie argumentów.

Jak to powiedziałeś - jest wyświechtane jak papier toaletowy kończący pewne czynności.

Kol. Profus - niestety dalej nie widzisz głupoty swojej “porady”. Odnośnik do lekarza Ci nie pasuje to może np mechanik pytający klienta oddającego auto do naprawy: " Proszę o wytyczne jak naprawić pański samochód" :smiley:

[quote=“elmontjs, post:14, topic:14977, full:true, full:true”]
[quote=“elmontjs, post:14, topic:14977, full:true, full:true”]
Potwierdzam, bo swego czasu spotkałem agregat z przewodem zakończonym wtyczką wkładaną do gniazdka domowej instalacji w przypadku braku zasilania
[/quote] :lol: jakże popularne zjawisko: <LINK_TEXT text=“viewtopic.php?t=17164”>Podłączenie instalacji do agregatu - Błędy w sztuce - ISE.pl - Forum Elektryka</LINK_TEXT>
[/quote]

No właśnie, ja zawsze stawiam pytanie podstawowe, czy producent agregatu, który ma tylko wyjścia wtyczkowe, dopuszcza swój agregat do zasilania obiektów budowlanych czy tylko konkretnych urządzeń.

Agregat z postu autora, to chyba jest agregat “rolniczy”, który podpina się do przekaźnika mocy ciągnika i zasila się nim konkretne urządzenia.

Oczywiście wszystko można przerobić i podłączyć tylko trzeba wiedzieć jak ale nie spotkałem jeszcze tak wykorzystanego agregatu, gdzie w instalacji została by zachowana ochrona przeciwporażeniowa.

[quote=“domsat, post:13, topic:14977, full:true, full:true”]
Autorze tematu - po co tworzysz - zresztą z błędami - schemat dostępny w Internecie. Zresztą na każdym przełączniku jest opis zacisków, więc nawet ten schemat jest zbyteczny. Trochę więcej myślenia.

Kol. elmontjs napisał:

“Podłączenie agregatu jako rezerwowego źródła zasilania nie jest prostym tematem a bardzo często bagatelizowanym przez nieświadomych elektryków,…”

Potwierdzam, bo swego czasu spotkałem agregat z przewodem zakończonym wtyczką wkładaną do gniazdka domowej instalacji w przypadku braku zasilania. Właściciel nie widział w tym nic złego, bo przecież wpierw odcinał sieć wyłącznikiem głównym.

Kol. Profus napisał:

“Jeśli występujesz jako wykonawca a nie masz wiedzy i doświadczenia, to zażądaj wytycznych od zlecającego, jak masz wykonać instalację. Przecież to nie wstyd nie wiedzieć, wstyd się do tego nie przyznać i robić źle.”

Bzdury. Czy lekarz zadaje Ci pytanie - jak mam pana zbadać, proszę o wytyczne. :lol:

i końcowe zdanie:

“Wiedz też, że wykonanie instalacji należy zakończyć pomiarami.”

jest wyświechtane jak papier toaletowy kończący pewne czynności.
[/quote]

Zawsze można zostać, jak Ty, “specjalistą domki jednorodzinne” i w zakładzie produkcyjnym, zmodernizować rozdzielnice, bez dołożenia RCD na obwody gniazdowe.



Myślisz, że jak w każdym temacie będziesz atakował forumowiczów, bądź pisał o “za wysokich progach”, jak w innych, to od tego przybędzie Ci wiedzy.

To do niczego nie prowadzi, bo zawsze można komuś coś wypomnieć, jak ja teraz tu i jeszcze w innym temacie, wobec Twojej osoby.

Chcesz dalej w to brnąć?

Kolego @domsat polecam trzymać język za zębami i pisać ad meritum a nie ad personam. Zaczynasz ciężko pracować na urlop.

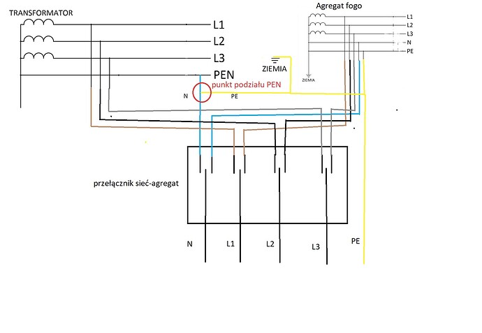
Dziękuje wszystkim za aktywny udział, wstawiam poprawiony schemat i słucham Państwa uwag, przypomnę, że sieć z trafo to TN-C, w rozdzielni następuje podział PEN. Wg schematu agregatu jest to sieć TN-S, przełącznik agregat/sieć 3 biegunowy + rozłączny N