Witam.
Mam następujący problem. Wykorzystując 1 czujnik (dający pojedyncze impulsy) i kilka dowolnych przekaźników ze stykami NC i NO muszę zbudować układ który po każdym impulsie z czujnika da napięcie na jednym z dwóch styków (naprzemiennie) - np. prawe i lewe obroty silnika. Czy ktoś ma jakieś sugestie co do układu połączeń?
Witam.
Proponuję dać spokój z przekaźnikami.
Na stronie http://www.relpol.com.pl/nowosci.jsp można zobaczyć np. przekaźnik TR4N, który samodzielnie załatwia taką funkcję.
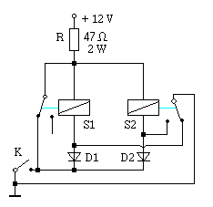
Nie piszesz jakie masz przekaźniki do dyspozycji. Podaję układ na dwóch przekaźnikach z cewką 12V DC. Przekaźniki zmieniają stan na przeciwny po zamknięciu i otworzeniu się zestyku K, tworzą tzw. przekaźnik bistabilny. Na schemacie pokazane są styki przekaźnika w stanie bez napięcia, oczywiście aby układ realizował jakieś funkcje (sterowanie lewo-prawo silnika) potrzebne są dodatkowe zestyki których nie ma na schemacie. Dodam, że w przypadku zmiany kierunku obrotów silnika z reguły potrzebny jest czas na zatrzymanie się silnika, chyba że ma być realizowane hamowanie przeciwprądem.
Po co ten rezystor?
Witam:)
Wydaje mi się żę rezystor pojawił się przez przypadek i był potrzebny w jakimś innym układzie:) Np przy przekaźnikach 6V, bo zwarć na stykach itd tam nie ma.
Pozdrawiam.
PT
Zwarcia tam są - Naciśnięcie klucza K przy takim położeniu przekaźników jak na schemacie daje zwarcie na zasilaniu.
Jest to układ bistabilny zrobiony na dwóch zwykłych przekaźnikach DC. Rezystor jest potrzebny.
