Mostek prostowniczy 3 fazowy dla 6 uzwojeń - modyfikacja

Witam
Mam mostek diodowy 3 fazowy - ale trochę niestandardowy bo dla 6 oddzielnych uzwojeń. Mostek jest migomatu Bester Magster 160, w którym będę wymieniał główny transformator.

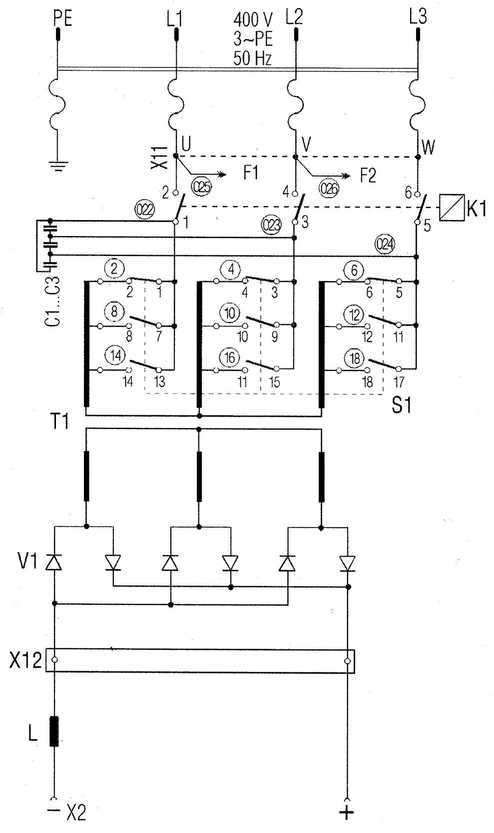
Problem jest taki, że nowy transformator ma najprostszy układ uzwojeń, a więc uzwojenie wtórne połączone w gwiazdę ( klasycznie- 3 oddzielne uzwojenia), natomiast oryginalny transformator miał 6 uzwojeń wtórnych, połączonych z tym specyficznym mostkiem diodowym ( być może to mostek 12 pulsowy?).
Czy da się wykorzystać ( no wiadomo, z jakąś modyfikacją połączeń mostka)ten specyficzny mostek diodowy do nowego transformatora?

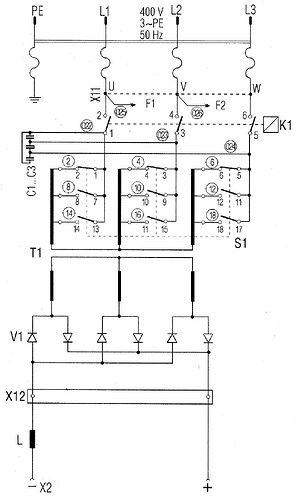
Załączam schematy:
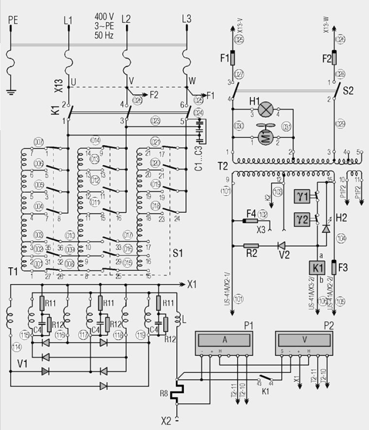
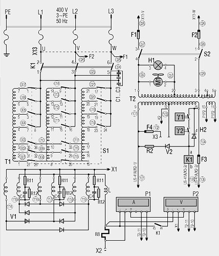
Pierwszy nowego trafa, pod nim oryginalnego trafa i mostka.

pzdr


Niestety ale to nie do końca tak działa. Jest to w zasadzie prostownik sześciopulsowy, z tą różnicą że transformator jest zbudowany w całkowicie inny sposób. Porównałbym go do połączenia transformatora w zygzak, z przystosowaniem go do pracy z mostkiem prostowniczym. Zamiast pojedynczego uzwojenia każdej fazy, masz parę uzwojeń. Jedno uzwojenie pary przewodzi w górnej połowie sinusoidy, drugie w dolnej. Dzięki temu każde uzwojenie jest obciążone cały czas, gdzie w tradycyjnym połączeniu z prostownikiem sześciopulsowym zawsze przewodzą tylko dwa uzwojenia. Zamiast tego rozwiązanie oryginalne generuje trochę zakłóceń bo przebieg prądu jest nieco “poszarpany” w momentach w których przełączają się diody prostownika, ale dużo łatwiej jest to odfiltrować, w porównaniu do problemu z przewodzeniem 2 faz jednocześnie.

Czyli to jednak prostownik mostkowy 6 pulsowy…( google dziwnie milczy na ten temat, może dlatego że to musi być bardzo rzadko stosowany patent ?)

Nie mogę go podłączyć ( mostek sprawny, ale trafo ma zwarcie) ale chętnie porównałbym na oscyloskopie tętnienia tego rozwiązania i rozwiązania klasycznego mostka 6 pulsowego.

Mostek na pierwotnym schemacie jest paskudnie narysowany, przez co wkradł się błąd.
To jest zwykły układ z trójfazowym transformatorem połączonym w gwiazdę, oraz mostkiem prostowniczym na sześciu diodach. Szczerze mówiąc nie wiem czemu tak to zrobili, bo układ zachowuje się identycznie jak ten na górnym schemacie.
Także śmiało możesz podmienić transformatory. Jednakże wrzucę ten układ narysowany w prostszy sposób:


Mostek jaki jest każdy widzi, czyli 3 wejścia i 3 wyjścia. Dlatego by zmienić ten transformator, musisz zmienić również mostek prostowniczy. Typowy mostek prostowniczy ma 3 wejścia AC oraz wyjścia DC+ i DC-, natomiast mostek na schemacie ma 3 wejścia i 3 wyjścia. Jest połączony w taki sposób, że prąd z wejścia fazy 1 (A1) może wypłynąć wyjściem 2 lub 3 (B2, B3), z wejścia A2 wyjściem B1 i B3, a z wejścia A3 wyjściami B1 i B2. W skrócie prąd wchodzący jedną fazą, może wyjść pozostałymi dwoma, czyli identycznie jak ma się to w zwykłym mostku 3F.
Plus jest u Ciebie taki, że to zwykłe 50Hz, więc jedynie potrzebujesz mostka prostowniczego na odpowiednio duży prąd, bez żadnych bajerów.
Dodano:
Jest tylko jeden problem wynikający ze zmiany transformatora i mostka. Układ pokazany na dole zbudowany jest w taki sposób, że prąd roboczy spawania płynie zawsze przez 2 uzwojenia i jedną diodę. Natomiast przy zwykłym mostku Gretza używane są zawsze 2 diody - jedna po stronie minusowej i jedna po plusowej. Zatem mamy 2x większe straty na mostku.

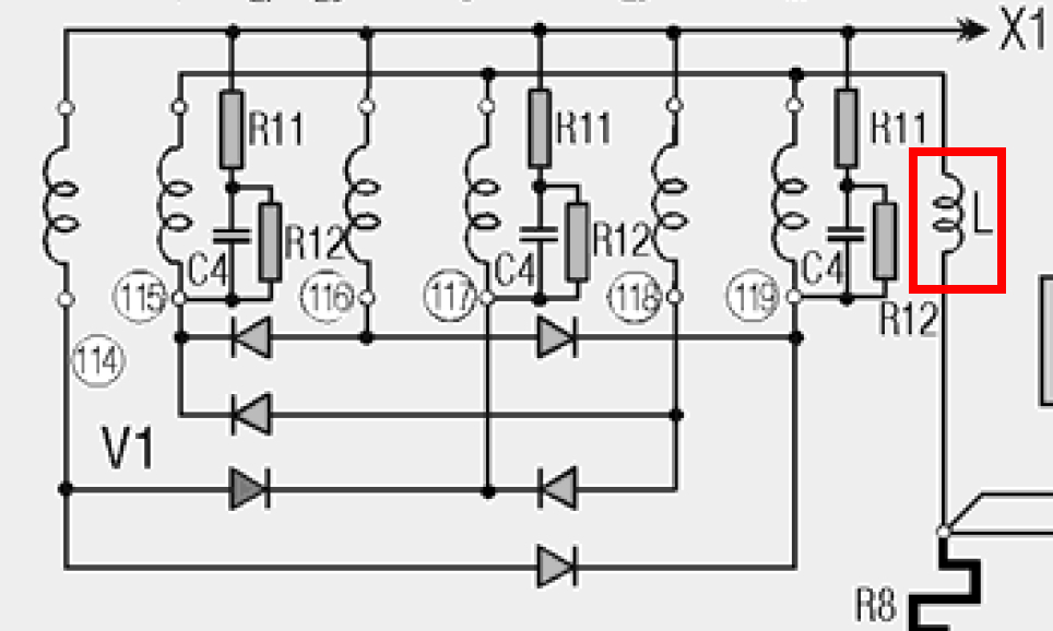
Zauważyłem dopiero teraz że w moim egzemplarzu fabrycznie nie ma … dławika zaznaczonego na czerwono. Na schemacie jest, ale doszedłem, że tak naprawdę schemat pochodzi z migomatu Magster 250, a moja wersja to Magster 160 ( półautomat wygląda tak samo, tak samo nawiniety transformator, 12 zakresów na uzwj. pierwotnym, charakterystyczne 6 uzwojeń wtórnych). Niestety schematu stricte do mojego Magster 160 nie mam i myślę że jest nie do zdobycia.
https://i.ibb.co/rf5NzDN/Schowek-1.jpg