Moc w układzie trójfazowym

Witam.

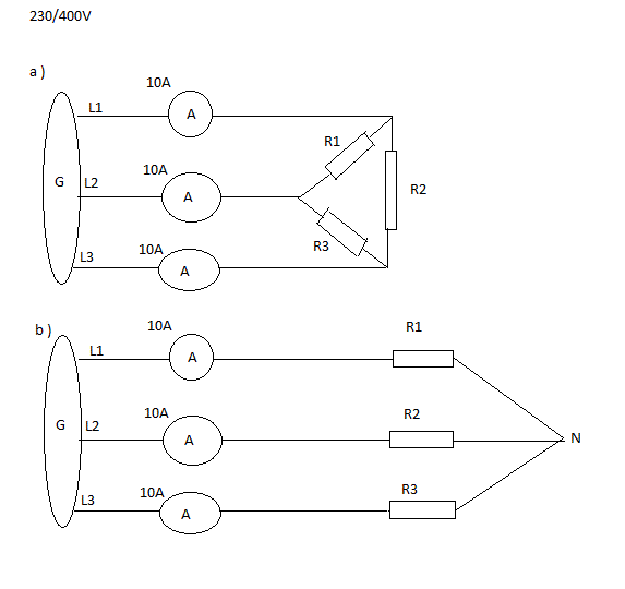
Czy sumaryczna moc wydzielająca się na R1+R2+R3 w układzie trójkąta jest inna niż w układzie gwiazdy, jeśli układ jest symetryczny a prąd fazowy wynosi tyle samo na każdej fazie np 10A?
Czy w przypadku trójkąta będzie tak jak w przypadku gwiazdy 230x3x10 = 6,9kW?

Rezystory R1,R2,R3 są tak dobrane, by prąd fazowy wynosił równe10A na każdej z faz w obu konfiguracjach.

Podczas połączenia uzwojeń w trójkąt, każde z nich zasilane będzie napięciem 400V, co widać na schemacie. Moc wydzielona na takich samych rezystorach jak w gwieździe, będzie wiec większa o pierwiastek z trzech, co wynika że stosunku napięć 400/230V

A przypadkiem moc nie będzie większa 3 krotnie? - moc podnosi się do kwadratu wzrostu napięcia lub prądu.

No i mówimy o takich samych rezystorach w obu układach, a mi chodziło o zastosowaniu w układzie trójkąta tak dobranych, by prąd fazowy był taki sam w obu przypadkach.

Jeżeli rezystory będą tak dobierane aby niezależnie od sposobu połączenia płynął prąd 10A, moc wydzielona na odbiornikach będzie taka sama.

A skąd Kolega robertcb1 wziął taki wzór na moc? Można poprosić o załączenie?

Dzięki za odpowiedź.

Na logikę:

Skoro 3 rezystory otrzymają 3x400V w trójkącie zamiast 3x230V w gwieździe, to zarówno napięcie jak i prąd wzrosną o pierwiastek z trzech, co daje kwadrat, czyli 3 (moc).

Ludzie co wy! Moc pobierana ze źródła będzie taka sama!!! Wyobraźcie sobie , że tam gdzie jest G wstawiacie licznik kwh. Pokaże takie same zużycie energii!! Skoro z każdej z faz płynie po 10A to układ skojarzenia odbiorników nie ma znaczenia. Mylące jest to że autor postu oznaczył rezystory literką R dla wszystkich przypadków, a przecież te rezystancje będą różne dla tych przypadków- de facto będą się różnić o pierwiastek z 3ech.
Oczywiście założyłem że G generuje napięcie 3x400V w każdym z przypadków.

witam.
Mocen będą takie same, ponieważ w obydwu połączeniach natężenie prądu wynosi 10 A, ale rezystancje wynoszą odpowiednio dla gwiazdy 23 om i dla trójkąta 40 om.