Witam!
Buduję dom i dzięki forum wiem jak skopaną mam instalację elektryczną (np. brak połączeń wyrównawczych - “bo są różnicówki”), wykonaną przez, a jakże, elektryka z uprawnieniami i nie taniego.
Dlatego w sprawie podłączenia hydroforu konsultowałem się i w efekcie mam 2 opcje.
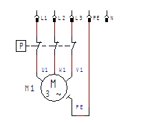
Silnik klatkowy Besel, 3-fazowy, 1,5 kW połączony fabrycznie 3 przewodami z łącznikiem ciśnieniowym LCA.
Instalacja: gniazdo 3-fazowe, 5 przewodów, wyłącznik termiczny (ma tylko na we; i wy; tylko 4 zciski, więc PE został poprowadzony bokiem), dalej 5 przewodów do puszki (odgałęzienie do drugirgo gniazda 3-faz), bezpiecznik 3-faz i różnicówka 3- faz
- Z wtyczki 3-fazowej wychodzą do łacznika ciśnieniowego 4 przewody - 3 fazy i Pe na masę
- Z wtyczki 3-fazowej wychodzi 5 przewodów 3 fazy i PE jak wyżej, a N bokiem poprowadzony jest do silnika na [mostek obwodów wirnika]. Nie wiem czy dobrze określiłem element z […]. Chodzi o przewody, które znajdują się w “przyłączu” silnka vis-a-vis zacisków do których doprowadzone są przewody zasilające.
Która opcja jest poprawna?
Pozdrawiam,
SW
