Panowie witam serdecznie wszystkich
Tematy dotyczy instalacji fotowoltaicznej zbudowanej na falowniku hybrydowym Deye, w zestawie z magazynem energii.
Układ TN-C-S. Falownik zasilony z sieci AC, obwody odbiorcze zasilane z wyjścia LOAD falownika.
W rozdzielnicy PV oprócz wymaganych zabezpieczeń, zamontowany przełącznik Hager sft440 4P, spełniający role bypassu w przypadku awarii falownika.
Przełącznik uległ awarii, dokładnie tor "N”, co poskutkowało pojawieniem się na odbiornikach napięcia około 400v i uszkodzeniem kilku urządzeń elektrycznych.
Jak zapobiegać niebezpieczeństwu związanemu z taką awarią?
Kilka propozycji, które zostały mi polecone
- Zastosowanie przełącznika Hager sf463 3faz+N z torem neutralnym rozłączanym na końcu a załączanym, jako pierwszy
(w przypadku awarii toru N w przełączniku, sytuacja ponownie się powtarza)
- Zastosowanie przełącznika 3P bez rozłączania “N” oraz połączenie “N” z LOADU z “N” w rozdzielnicy głównej.
(sporo użytkowników twierdzi, że należy obligatoryjnie uniknąć łączenia “N” w takich przypadkach, ze względu na bezpieczeństwo pracowników energetyki w razie awarii, oraz powołując się na istniejące przepisy)
- Uziemienie “N” za przełącznikiem Hagera-
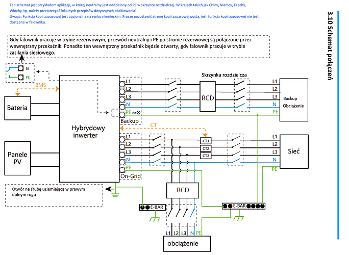
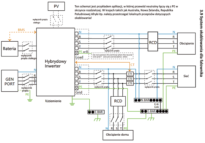
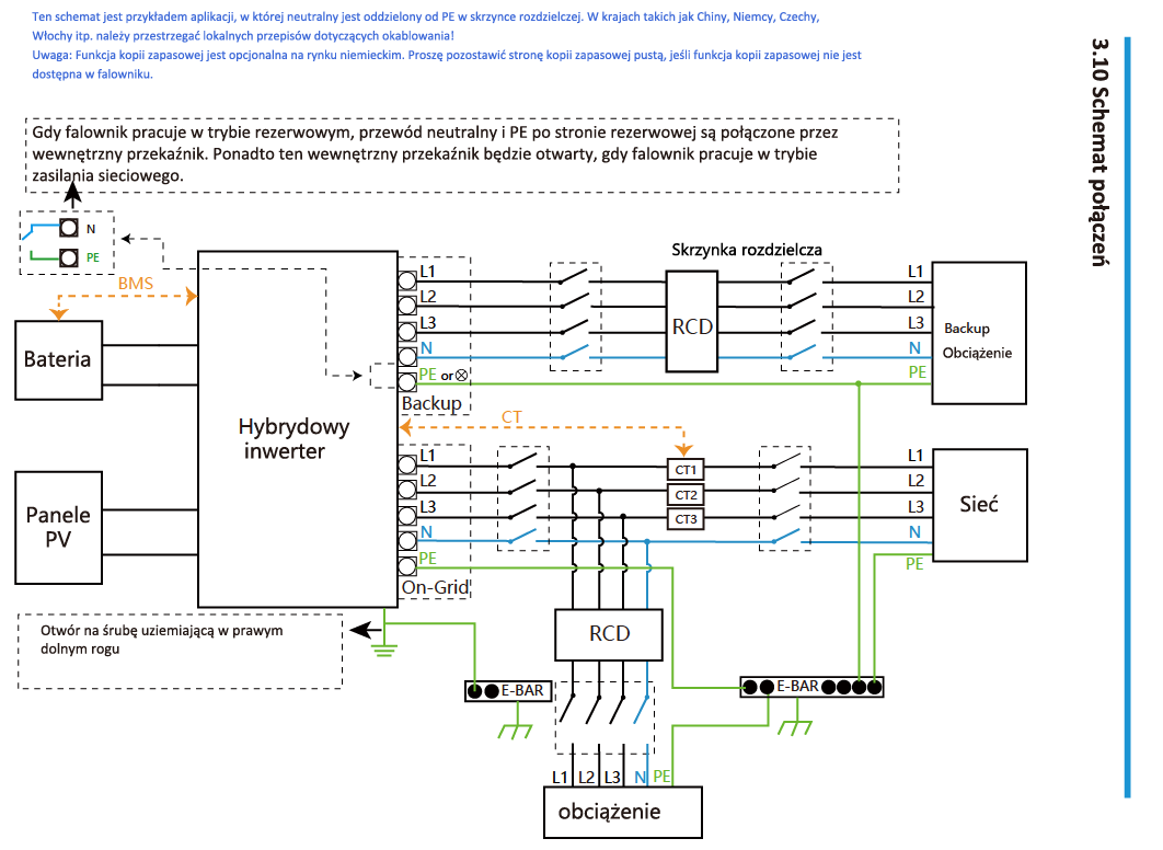
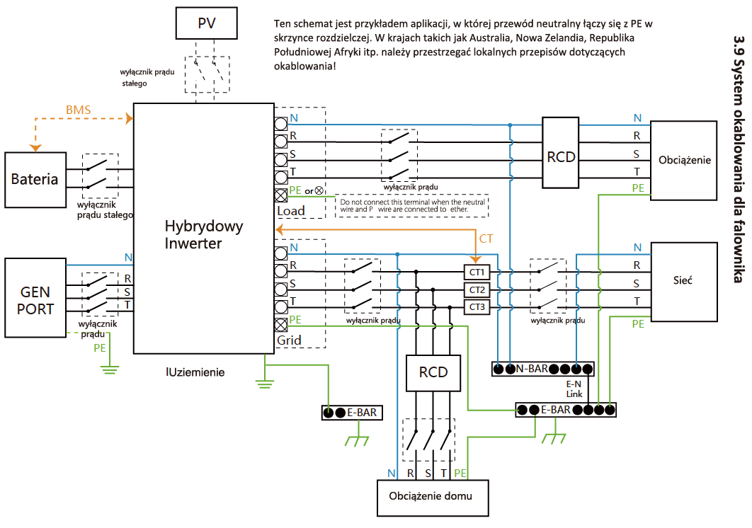
(w przypadku uszkodzenia przełącznika i przerwania “N” przewód ochronny przejmie rolę przewodu neutralnego nie doprowadzając do pojawienia się napięcia niebezpiecznego dla urządzeń odbiorczych. Polskie normy wręcz zakazują takich rozwiązań, podczas gdy w krajach takich jak Australia, Nowa Zelandia, RPA połączenie N i uziomu jest obowiązkowe. W załączniku umieszczam poglądowe schematy, otrzymane od producenta falowników Deye.
ww. sytuacja uświadomiła mi niebezpieczeństwo związane ze stosowaniem przełączników 4P, jako bypass w instalacjach fotowoltaicznych.
Zapraszam do dyskusji i proszę uprzejmie o podzielenie się swoim doświadczeniem.
O proszę, moje ulubione falowniki znowu w akcji 
Wszystko zależy od układu sieci. W sieci TT oraz IT musisz się w offgridzie całkowicie rozłączać od sieci wliczając tor N, i tutaj zabezpieczenie polega głównie na użyciu wyzwalaczy nadnapięciowych, lub szybkich przekaźników kontroli faz które będą sterowały aparatami rozłączającymi.
W układzie TN rozłączanie toru N na siłę jest po prostu bez sensu - zaraz obok biegnie tor PE, który jest identyczny co N tylko kolor izolacji ma inny. Zatem ja osobiście toru N nie rozłączam - nic to nie daje, a jedynie wprowadza zagrożenie jak widzisz.
Wg mnie też w układzie TN bezsensowne jest rozpinanie N.
I ciężko mi sobie wyobrazić by instalacja wydzielona pracująca jako offgrid ale mająca połączenie z siecią tylko poprzez przewód PEN miałaby stwarzać zagrożenie dla kogoś na sieci.
[quote=“Pawel352, post:1, topic:15242, full:true, full:true”]
Przełącznik uległ awarii, dokładnie tor "N”, co poskutkowało pojawieniem się na odbiornikach napięcia około 400v i uszkodzeniem kilku urządzeń elektrycznych.[/quote]
Jak - w jaki sposób - uległ awarii? Może zwykły błąd montażowy, jakich wiele.
[quote=“Pawel352, post:1, topic:15242, full:true, full:true”]
- Zastosowanie przełącznika Hager sf463 3faz+N z torem neutralnym rozłączanym na końcu a załączanym[/quote]
Tak powinno być, ale są droższe. Dlatego stosujemy 4P, a nie 3P+N.
[quote=“Pawel352, post:1, topic:15242, full:true, full:true”]
W układzie TN rozłączanie toru N na siłę jest po prostu bez sensu - zaraz obok biegnie tor PE, który jest identyczny co N tylko kolor izolacji ma inny.[/quote]
I tak też umyślili radzieccy inżynierowie. Skoro są dwa DYTy takie same, to można dać jeden i będzie taniej. I było 2x2,5 ALU do gniazdek. I działało tyle lat. I działa nadal.
[quote=“Pawel352, post:1, topic:15242, full:true, full:true”]
Wg mnie też w układzie TN bezsensowne jest rozpinanie N.[/quote]
To dlaczego RCD “rozpinają” także N? Przecież mogłoby być na stałe, byle by przez przekładnik przechodziło. I się upala statystycznie, straty są, tylko wszyscy się na to godzą.
Co pięć lat należy zbadać izolację przewodów czynnych, więc należy go odkręcić i przykręcić. I nikt się nie boi, że ktoś źle przykręci.
Pozdrawiam.
[quote=“KonradOW, post:5, topic:15242, full:true, full:true”]
Jak - w jaki sposób - uległ awarii? Może zwykły błąd montażowy, jakich wiele.[/quote]
Może przypadek - upali się tor fazowy, wymieniasz i nie ma problemu. Upali się Neutralny i połowa sprzętów do wymiany. Dlatego o upalonych neutralnych częściej słychać. Ewentualnie problem wynikający z harmonicznych prądu w przewodzie neutralnym.
[quote=“KonradOW, post:5, topic:15242, full:true, full:true”]
I tak też umyślili radzieccy inżynierowie. Skoro są dwa DYTy takie same, to można dać jeden i będzie taniej. I było 2x2,5 ALU do gniazdek. I działało tyle lat. I działa nadal.[/quote]
Nie radzieccy. Jeden wystarczył więc dawali jeden. Różnicówek też wtedy nie było, a technologia wtedy odpowiednia istniała więc wyprodukowanie takowej nie było niemożliwe. Po prostu wtedy ochronę realizowało się inaczej. Potem doszła trzecia żyła, różnicówki, ochronniki różnego typu, teraz AFDD dochodzi.
[quote=“KonradOW, post:5, topic:15242, full:true, full:true”]
To dlaczego RCD “rozpinają” także N? Przecież mogłoby być na stałe, byle by przez przekładnik przechodziło. I się upala statystycznie, straty są, tylko wszyscy się na to godzą.
Pozdrawiam.
[/quote]
Bo RCD wyłącza obwód w razie awarii - przebicia, i wtedy należy wyłączyć całkowicie obwód w którym wykryto uszkodzenie. Pozostawienie go mogłoby wprowadzać niebezpieczeństwo porażenia.
Tymczasem na połączeniu sieć energetyczna - instalacja odbiorcza w układzie TN, mamy przewód PEN oraz PE, którego odłączać absolutnie nie możemy. Samo rozłączenie jest kwestią dostania się niebezpiecznego potencjału z offgridowej sieci domowej na wyłączoną sieć energetyczną, ale raz że przewód PE/N/PEN jest przewodem bezpotencjałowym w instalacji TN, a dwa, jak już wspominałem, całkowita izolacja nie jest możliwa bo nie możemy rozłączać PEN/PE. Co śmieszniejsze, falowniki hybrydowe w momencie przechodzenia na tryb offgridowy, odłącza wyjściowe N od wejściowego N, ale wyjściowe N podłącza do PE by zachować układ TN. Czyli nadal wyjściowe N ma połączenie z PENem sieci energetycznej, tylko nie niebieskim przewodem a zółto-zielonym. I na jedno wychodzi. Dlatego właśnie rozłączanie Nki w takich instalacjach jest bez sensu - jedyne co robi to wprowadza zagrożenie upalenia się styku.
[quote=“KonradOW, post:5, topic:15242, full:true, full:true”]
[quote=“KonradOW, post:5, topic:15242, full:true, full:true”]
Przełącznik uległ awarii, dokładnie tor "N”, co poskutkowało pojawieniem się na odbiornikach napięcia około 400v i uszkodzeniem kilku urządzeń elektrycznych.[/quote]
Jak - w jaki sposób - uległ awarii? Może zwykły błąd montażowy, jakich wiele.
[/quote]
Uszkodzenie toru N wewnątrz przełącznika.
Zmierzone napięcię międzyfazowe na wyjściu przełącznika prawidłowe
napięcie pomiędzy stykami fazowymi a neutralnym wskazywało wartości z zakresu 20-30v na wyjściu z przełącznika.
[quote=“KonradOW, post:5, topic:15242, full:true, full:true”]
[quote=“KonradOW, post:5, topic:15242, full:true, full:true”]
- Zastosowanie przełącznika Hager sf463 3faz+N z torem neutralnym rozłączanym na końcu a załączanym[/quote]
Tak powinno być, ale są droższe. Dlatego stosujemy 4P, a nie 3P+N.
[/quote]
Przełącznik wymieniony na hager sf463, dodatkowo zgodnie z zaleceniami użytkownika CYRUS2 z forum elektroda w celu dodatkowej ochrony należy rozważyć w ww. układach,
montaż kontrolera napięcia przemiennego.
Temat uważam za zamknięty.
Dziękuje serdecznie za wszystkie odpowiedzi
[quote=“Pawel352, post:7, topic:15242, full:true, full:true”]
dodatkowo zgodnie z zaleceniami użytkownika CYRUS2 z forum elektroda w celu dodatkowej ochrony należy rozważyć w ww. układach, montaż kontrolera napięcia przemiennego.
[/quote]
Cyrusa nie słuchaj, każdemu wciska te kontrolery cholera wie po co i na co. Ja czasem mam wrażenia jakby Cyrus z elektrody, i Konrad stąd to jedna osoba.
[quote=“w3501yyyy, post:8, topic:15242, full:true, full:true”] Cyrusa nie słuchaj, każdemu wciska te kontrolery cholera wie po co i na co.[/quote]
Mówisz jak prawdziwy elektryk.
[quote=“w3501yyyy, post:8, topic:15242, full:true, full:true”]
Ja czasem mam wrażenia jakby Cyrus z elektrody, i Konrad stąd to jedna osoba.
[/quote]
Wypraszam sobie, nikomu nie sprzedaję swoich produktów, ani nie jestem Szanownym Panem Handlowcem.
[quote=“w3501yyyy, post:8, topic:15242, full:true, full:true”]
Uszkodzenie toru N wewnątrz przełącznika.[/quote]
Próbowałeś zgłosić szkodę ubezpieczycielowi?