Porzuciłem nieco ten temat, w zasadzie bez odpowiedzi, i kompletnie o nim zapomniałem.
Wiele rzeczy i rozwiązań się wyjaśniło, pozostała jedna kwestia. To schemat z instrukcji falownika.
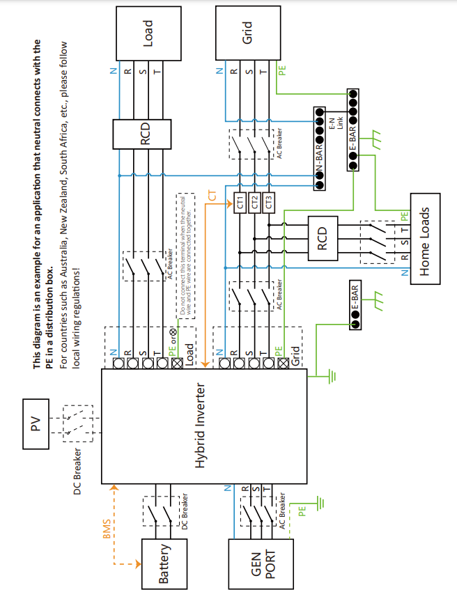
—krótkie wprowadzenie—
W instrukcji wersji europejskiej przy tym schemacie napisano:
“This diagram is an example for an application that neutral connects with the
PE in a distribution box.
For countries such as Australia, New Zealand, South Africa, etc., please follow
local wiring regulations!”
W instrukcji wersji ogólnoświatowej falownika prócz tego schematu i tego opisu, był też drugi schemat, gdzie powyższa informacja była zmieniona na taką, w której informowano że jest on przeznaczony dla krajów gdzie N i PE nie są połączone, a dla krajów jak Niemcy itp, stosować się do regulacji krajowych.
—koniec wprowadzenia—
Dlatego też przyjmowałem ten schemat jako jedyny słuszny, rozwiązujący wiele problemów głównie z niebezpieczeństwami przerywania/utraty styku N w instalacji 3F.
Moje wątpliwości jednak nadal budzi trwałe podłączenie N wyjściowego do wspólnej szyny N, a więc i do sieci energetycznej. Prawo wymaga by w takich instalacjach podczas zasilania ich z własnego źródła, całkowicie odizolować (odłączyć) instalację od sieci energetycznej, zatem wliczamy też N i PE. N jesteśmy w stanie bez problemu odizolować, ale by być w stanie rozłączyć PE musimy permanentnie zmienić układ instalacji wewnętrznej na TT, i zrobić wyspę TT zasilaną z sieci TN (co pierwotnie było tematem w tym wątku).
Natomiast część z Was (elmontjs
) twierdzi że przejście na TT jest zbędne. Tylko jak nie przejdziemy na TT nie będziemy w stanie całkowicie odizolować instalacji od sieci energetycznej.
—poza tematem—
Tytuł tematu czyli Instalacja TT zasilana z sieci energetycznej TN, ale mogąca się przełączać między układem TN a TT był pierwotnym tematem, ponieważ zdawałem sobie sprawę z niższego poziomu ochrony pporaż. i kombinowałem nad instalacją która w ongridzie byłaby zwykłym TNem zachowując wysoki poziom ochrony pporaż., ale przy przejściu na offgrid przechodziłaby w TT w celu izolacji od sieci.
