Indywidualna kompensacja mocy biernej

Witam!

Mam takie zapytanie. obliczyłem już sobie moc kondensatora do kompensacji mocy biernej silnia indukcyjnego. Oraz wiem gdzie go wpiąć - to znalazłem w książkach. Silnik pracuje w układzie gwiazda/trójkąt sterowany za pomocą PLC. Moje pytania są takie:

  1. Mam takie pytanie czy ten kondensator montuje bezpośrednio na zaciski silnika?
  2. Bez żadnego zabezpieczenia?
  3. No jak następuje rozładowanie tego kondensatora?
  4. Przez uzwojenie silnika?
  5. W jakim czasie?
  6. Czy mogę tak wpiąć kondensator bez zmiany zabezpieczeń?(czy prądy podczas załączania nie zaczną wyzwalać zabezpieczeń?)

Pozdrawiam

Witam!

[quote=“ppajak, full:true”]
Domyślam się (zakladam), ze nie chodzi tu o jakieś kosmiczne wartości, lecz takie, które wchodzą normalnie w grę (kilka, kilkanaście kW)
Ad. 1. Niekoniecznie.
Ad. 2. Bez dodatkowego zabezpieczenia, lecz za zabezpieczeniem silnikowym.
Ad. 3. Fabrycznie na kondensatorach trójfazowych są montowane rezystory rozładowujące. Jeśli robimy taki sami - należy je zamontować.
Ad. 4. Przez rezystor rozładowujący.
Ad. 5. Do kilku sekund
Ad. 6. Nie powinny.

Witam!

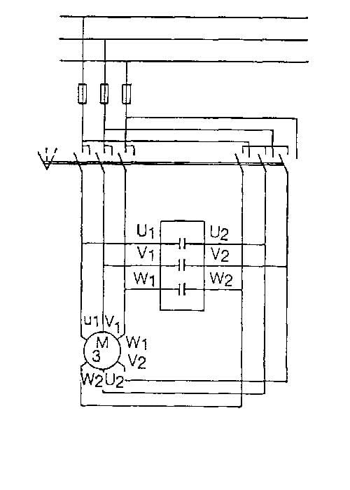
  1. Znalazłem schemat gdzie zamontować kondensator w wypadku sterowania gwiazda/ trójkąt. Oto on

Wiec włożę go w szafę sterowniczą jest trochę miejsca (a i warunki wewnątrz spełniają wymagania kondensatorów)

Ale co z tymi rezystorami rozładowującymi jako one działają jest jakiś dodatkowy stycznik?

Dzięki za szybką odpowiedź

Pozdrawiam

Witam!

Są po prostu dolutowane bezpośrednio do zacisków kondensatora. Ich rezystancja jest za duża (to można wyliczyć, ale to M

Witam.

Z tego wynika że montuje się je równolegle. A z jakiego wzoru mam skorzystać w ich obliczaniu? Bo nie wiem czy na pierwszy ogień nie pójdą jakieś kondensatory z recyclingu. Dopiero potem coś nowego:-)

Pozdrawiam

Możesz przyjąć T=3RC; T [s] R [Ω] C[F] zatem nie zapomnij o wielokrotnościach, upraszczając R[MΩ] C[µF] czas tez wyjdzie w sek(ok 100-300s); przy doborze rezystorów zwróć uwage na parametr “znamionowe napięcie izolacji” (najczęściej maja ok 50-160V, potrzebujesz na co najmniej 250V- rezystory 1-4W często maja takie lub większe napięcie izolacji). Nie zapomnij, że kondensatory troche grzeją się, nie mogą być szczelnie zabudowane, musi byc minimalny ruch powietrza wewnątrz zabudowy lub obejmy odprowadzające ciepło.

Dziękuję za wszelkie uwagi. Układ już zaprojektowany.

jedna rzecz mnie jeszcze tylko ciekawi. Jak przeprowadza się kompensacje indywidualna w przypadku silników załączanych przez soft-starty.
Czy jest to w ogóle możliwe?

Pozdrawiam

Witam!

Mam jeszcze jedną wątpliwości w tym temacie:

A co w momencie przełączania z gwiazdy w trójkąt - następuje przecież załączenie napięcie na nie w pełni rozładowany kondensator.

Czy tak się to zostawia?

Pozdrawiam

Witam.

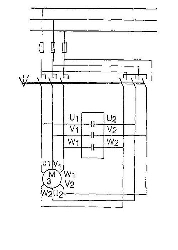
Ten schemat, na ktory powołuje się Kolega (G/T | Fotosik.pl) to mnie się raczej nie podoba.
Moc bierna wytwarzana przez kondensator da się obliczyć ze wzoru:
Q = U exp2 ω C.
A wyznacza się ją biorąc za podstawę występujący w odbiorze cos φ 1 oraz potrzebny cos φ 2. Wtedy:
Q = P (tg φ 1 - tg φ 2)
Uwaga: Przy silnikach nie można kompensować powyżej cos φ 2 = 0,95 przy biegu jałowym.
Przy stosowaniu przełącznika Y-D należy zadbać, aby zasilanie na zaciskach kondensatora było niezmienne (podłączenie sprzed przełączalnych zacisków). Dla elektryka nie powinien być to problem. A gdy jest - niech zastosuje oddzielny stycznik. I jeszcze jedno. Przewody łączące, styki, itp. dobiera się minimum na 130% wartości prądu znamionowego baterii.

Uwaga: Jeśli w instalacji występują wyższe harmoniczne, to mogą być problemy.

Kondensator mam obliczony dobrze - powyższe wzory znam.
Niestety wzory są w książkach - a konkretów nie ma…

Ale wracając do tematu.

Ten schemat jest wiec błędny ponieważ następuje zmian napięcia na kondensatorze?
Ja też chciałem od razu bezpośrednio wpiąć kondensator w gwiazdę i było by po problemie. Ale pojawiła się wątpliwośc w postaci przekompensowania w momencie gdy silnik pracuje w trójkąt, a kondensator w gwiazdę.

Czy się mylę?

Pozdrawiam

Witam.

Najlepiej zastosować kondensator trójfazowy (a więc nie interesuje nas jego wewnętrzne skojarzanie, czy podłączanie), obliczony do pracy znamionowej lub ustalonej silnika, podłączony do tych samych zacisków do których podajemy napięcie na przełącznik Y-D. Jeśli tego zrobić nie można, to z jednego z tych zacisków bierzemy napięcie na cewkę stycznika dodatkowego, który załącza nam kondensator. I po sprawie.
Jeśli są to duże moce (a więc i pojemności) i prądy to należy przeanalizować problem zabezpieczeń.

Dziękuje za wszelkie uwagi!