Witam. Nie jestem elektrykiem, potrzebuje pomocy. Podłączyłam domofon Wekta unifon tk6. Wszystko działa poza otwieraniem, słychać ‘pykniecie’ i tyle. Co nie tak?

Witam,
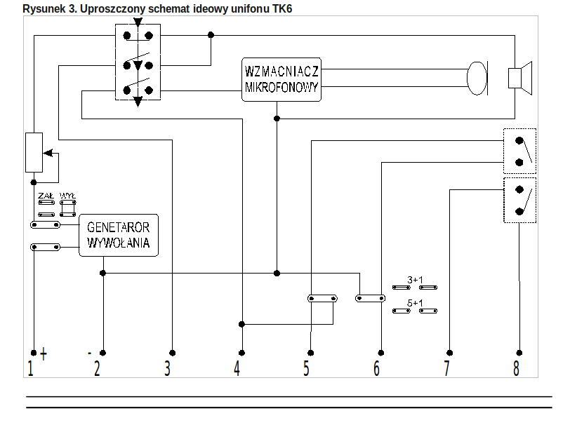
Jeżeli słychać “pyknięcie” to jest dobrze. Prawdopodobnie jest to działanie przekaźnika sterującego zamkiem/elektromagnesem. Ponieważ ten ostatni może być zasilany z sieci 230V więc “grzebanie” staje się niebezpieczne. Zalecam kontakt z Elektrykiem.
Pozdrawiam,
Jacek.
PS: Katalog Firm
Elektrozaczep jest sterowany z przekaźnika czyli tym pyknięciem. Czy okablował Pan elektrozaczep, czy zna Pan napięcie na jakie jest wykonany elektrozaczep. Czy nic się nie blokuje mechanicznie?
Zbyt śmiałe stwierdzenie sprzed komputera ![]()
Witam ponownie i dziękuję. Jestem kobietą
chociaż konto jest mojego brata. Nic nie blokuje, domofon podłączałam metodą prób i błędów. Nic nie blokuje. Muszę sobie jakoś poradzić z tym.
Proszę uważać z tą metodą prób i błędów. Sugeruję poprosić elektryka o pomoc- tak będzie bezpieczniej zarówno dla Pani jak i domofonu.
Tak sobie czasami zaglądam do tego działu, aby się trochę pośmiać. Zaczep na 230 V! Kombinowanie przy domofonie, a raczej unifonie to niebezpieczne dla kombinującego ! Uff. Kobieto - w domach nie ma el-zaczepów na 230 V, a kombinując przy unfonie to można go jedynie zepsuć, nam się nigdy nic nie stanie, jeśli nie ruszamy trafo zasilającego instalację domofonową. A najprościej to zawołać domofoniarza z ogłoszenia, te usługi są naprawdę tanie.
Wiem, że są tanie, tylko proszę zwrócić uwagę na porę, w jakiej piszę. Domofon będzie musiał poczekać do świąt. W dzień są tylko nastolatki w domu ![]()
Dzień dobry, również mam problem z domofonem.
Słuchawka działa, dzwonek dzwoni, ale nie można otworzyć drzwi przyciskiem, co może być przyczyną??
[quote=“olaola, post:10, topic:11742, full:true, full:true”]
Dzień dobry, również mam problem z domofonem.
Słuchawka działa, dzwonek dzwoni, ale nie można otworzyć drzwi przyciskiem, co może być przyczyną??
[/quote]
Czy to problem po montażu domofonu?
Czy problem pojawił się po uprzedniej poprawnej pracy?
Czy domofonowy zamek drzwiowy reaguje na przycisk np. słychać załączenie?
Czy zamek nie jest zablokowany mechanicznie?
Czy zamek nie jest poluzowany - zwiększona odległość zamka od rygla?

