Czy przedłużacz jest częścią instalacji ???

Witam wszystkich Kolegów na FORUM.
Jak wiemy, wykonując pomiary badamy rezystancję izolacji wszystkich obwodów, czyli

  • obwodów zasilania,
  • obwodów wlz,
  • itd.
    Instalacje te są w ścianach, czyli mnie narażone na ingerencję uszkodzeń mechanicznych jak przedłużacze.
    W obecnych czasach komputeryzacji w prawie wszystkich biurach większość urządzeń jest zasilana poprzez przedłużacze wielo gniazdkowe itp. które są narażone na wiele uszkodzeń.
    Proponuję rozpatrzyć zagadnienie:
    Czy przedłużacz jest częścią instalacji i należy wykonywać pomiar rezystancji izolacji?

moim zdaniem przedłużacze są elementem wyposażenia nie nnalezacym do instalacji, podobnie jak małe upsy i przepisy dityczące instalacji ich nie obejmują
pomiar rezystancji izolacji moze być bardzo utrudniony (o ile w ogóle mozliwy) ze względu na elementy przeciwprzepieciowe i przeciwzakłóceniowe stosowane w przedłużaczach dedykowanych komputerom (a nie tych po 15 zł z supermarketu)

Witam
Moim zdaniem przedłużacz nie jest częścią instalacji, a raczej odbiornikiem, co prawda dosyć specyficznym (pośrednikiem?). Nie mniej, jak każde urządzenie powinien podlegać okresowej kontroli (czy jakieś domowe urządzenia takowej podlegają?). I tu kłaniają się stare czasy: będąc na kontrakcie w NRD (to były czasy) widziałem, że wszystkie dostępne przedłużacze miały na stałe zamocowany pierścień z datą sprawdzenia poprawności i terminem następnego badania. Chyba słuszne.
Pozdrawiam - Krzysztof

Witam Szanownych Kolegów na Forum

Widzę, że Kolega Krystyn, jak to się mówi “wziął byka za rogi”

Tym razem zacytuję siebie:

http://ise.pl/forum/viewtopic.php?p=34954&highlight=przed�u�acze#34954

Badamy instalacje, badamy odbiorniki ale dotąd przemilczana jest całkiem liczna grupa wyrobów takich jak przewody przyłączeniowe i przedłużacze.
Użytkownik obchodzi się z nimi brutalnie, są ciągnęte, deptane, moczone, kaleczone, uszkodzone gniazda, uszkodzone wtyczki. Wydaje mi się że one najczęściej stanowią potencjalne zagrożenie porażeniem. Nawet “ulubione” wyłaczniki niewiele tu poradzą.
Czy nie powinny być także okresowo sprawdzane ?

Jeżeli wykonujemy badania instalacji ułożonej na stałe, wykonujemy też badania odbiorników ruchomych ( no, tych użytkowanych prywatnie to nie jest w zwyczaju), to nie można robić “mijaków” i udawać, że przedłużaczy nie ma. no bo przecież są.
To, że przedłużacze są sprawdzane w wielu krajach potwierdza wypowiedż Krzysztofa.
Dodać trzeba, że te w biurach to jeszcze pół biedy. Ale użytkowane są także w ogródkach przydomowych, na działkach, nie mówiąc o budowach czy zakładach przemysłowych przez różnego rodzaju ekipy remontowe.
A jak się ma skuteczność ochrony przeciwporażeniowej po zastosowaniu np. 50 m przedłużacza. A ile takich przedłużaczy można połączyć szeregowo ?

Myślę, że warto to przedyskutować.

Pozdrawiam

Przedłużacz w zakładzie kwalifikuje się jako elektronarzędzie i należy go co jakiś czas (zależny od częstości używania) badać i sprawdzać . Wpływa na to choćby dbałość o własną skórę (urawnienia, prokurator) w razie porażenia operatora. Jeśli jest uszkodzony np. posklejany izolacją, nie zabezpieczony przed uszkodzeniem mechanicznym (przejechanie przez środek transportu), źle podwieszony( bez linki ,korytka itp, jest pewne że gdy zauważy to kontroler PIP - będzie niezadowolony :wink: . Wiem to z własnego doświadczenia :wink:
Gorzej z domowymi. Praca z uszkodzonym to jak z wywieszką na bramie: “Wchodzisz na własne ryzyko” :wink: Pozdrawiam.

Sadze ze do tematu powinno sie podejsca alizujac przepisy “Prawa Budowlanego” ktore w par.62.1 wymaga okresowych kontroli i pomiarow instalacji elektryvznych “OBIEKTOW BUDOWLANYCH” !!!
A co to jest obiekt budowlany mamy definicje w art.3.1
“budynek lub budowla wraz z instalacjami i urzadzeniami”
a co ta sa urzadzenia mamy definicje w art.3.9
“urzadzenia techniczne ZWIAZANE Z OBIEKTEM BUDOWLANYM , zaopewniajace mozliwosc uzytkowania obiektu zgodnie z jego przeznaczeniem,jak przylacza i urzadzenia instalacyjne”

W/g tych zapisow uwazam ze przedluzacz nie jest urzadzeniem zwiazanym z obiektem budowlanym a raczej z odbiornikiem - przedluza jego “sznur” przylaczeniowy i nie podlega przepisom dot.instalacji elektrycznych.
Inna sprawa to poruszone przez p.Teodora zagrozenia plynace z ich niefrasobliwego uzytkowania ktore winny byc tez unormowane.

Witam!
Kolega Teodor P. zaproponował przedyskutować taki problem:
”A jak się ma skuteczność ochrony przeciwporażeniowej po zastosowaniu np. 50 m przedłużacza. A ile takich przedłużaczy można połączyć szeregowo ?
Z takim problemem zasilania na duże odległości rozdzielnic budowlanych spotykamy się często na placach budowy. -Takie problemy spotykam podczas remontu bloku w Elektrowni.
Z „RB-tki” dalej, poprzez przedłużacze, podłącza się urządzenia.
Młodemu Elektrykowi obcej firmy zaproponowałem pomierzyć pętlę zwarcia, bo odległość jest duża. Na drugi dzień przyszedł ze Specjalistą, który wziął sprawę w swoje ręce, co uznałem za prawidłowe postępowanie. (-Lepiej pytać ludzi bardziej doświadczonych, niż robić „na pałę”).
-Przy każdym przedłużeniu instalacji, czy prowizorką (wpinaną na listwę zaciskową), czy przedłużaczami (-zakończenie wtyczką) powinno się uwzględniać skuteczność ochrony przeciwporażeniowej (-nie tylko spadki napięcia).
Problem zaczął się od przedłużaczy w domu czy biurze, więc tam jest dostateczny „zapas bezpieczeństwa” uwzględniany przy pomiarze pętli zwarcia.
-Tyle na początek.

Witam!
Wątek przedstawiony przez Teodora P i rozwinięty przez EDI można w idealny sposób rozwiązać stosując system FIBOX VARIATION.
Omawiany przypadek trudności w zachowaniu ochrony przeciwporażeniowej przy bardzo długich “przedłużaczach” jest tu rozwiązany w sposób naturalny, poprostu “kaseta” z zabezpieczeniami, w tym RCD zanjduje się na końcu “przedłużacza”. Czyli RCD zabezpiecza tylko przyłączone odbiorniki bez przysłowiowych 50 metrów kabla.
System ten pozwala budować za pomocą elementów BALLERO rozbudowane i bezpieczne całkiem rozległe przedłużenia czy wręcz tymczasowe instalacje przez nieelektryków.
Polecam zapoznać się z katalogiem w wersji elektronicznej pod adresem http://www.fibox.pl/pliki_katalog_systemy_rozdzielcze/katalog_sys_roz_20_28.pdf
Mogę też przesłać zainteresowanym katalog w wersji “papierowej”.

Witam.
Muszę zaprotestować.
Drogi inst., nie jest to idealne rozwiązanie, powiem więcej - to żadne rozwiązanie problemu poruszanego w tym wątku.
Kol. EDI wyraźnie ten problem opisał:

Młodemu Elektrykowi obcej firmy zaproponowałem pomierzyć pętlę zwarcia, bo odległość jest duża.

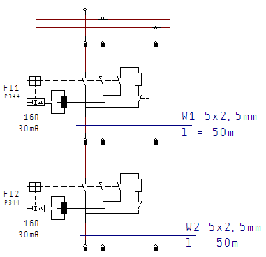
Problemem przy długich przedłużaczach jest ich długość - i co za tym idzie, duża wartość pętli zwarcia. Zastosowanie RCD pomoże przy zwarciach do PE, natomiast zwarcie międzyfazowe na końcu obwodu nie jest traktowane przez zabezpieczenie nadmiarowe tego przedłużacza jak zwarcie, tylko jak prąd pracy.

I tak, dla dwu (W1 i W2) przedłużaczy o l=50m, zabezpieczonych RCD P344 16A 30mA, nie spełniony jest warunek szybkiego wyłączenia t=0,2s dla drugiego (W2).
Prądy: Izw = 112A, Ia = 138A.

Cała dyskusja powoli odbiega od tematu. Ale myslę ,że z zabezpieczeniem dla przedłuzaczy można sobie poradzić. RDC z 10mA, 6mA. Ale wiadomo przecież że ze wzrostem dlugości obwodu dla danego przekroju przewodu zwiększają się spadki napięcia, co za tym idzie zwiększa się prąd plynący. - Dla danego urządzenia. Dochodzimy więc do sytuacji że dla 150 mb, przy obciązeniu 2kW 1 -fazowy, przedłużacz będzie miał postać OW3x4 mm2… ( NIE LICZYŁEM ) Podobnie gdy takowy przedłużacz jest nawinięty na bębnie. Działa jak grzejnik. Podobnie też z 3- fazową. Uważam za bezsens stosowanie przedłużaczy dłuższych jak: 30mb1-fazowy i 40mb 3-fazowy. Nie dotyczy ogrodowych.

Kolego profus masz rację w wypadku kiedy tak długie przedłużacze są wykonane z użyciem kabla o małym przekroju (np. 2,5qmm).
Zauważ, że w systemie FIBOX VARIATION elementy łącznikowe BALLERO są przystosowane dla kabli o przekroju max 35 qmm. Tutaj poprostu nie ma kompromisu, aby warunek szybkiego wyłączenia zwarcia był spełniony trzeba zastosować droższe kable o większym przekroju.
Jeszcze raz polecam uwadze przeanalizowanie tego systemu (www.fibox.pl) na wszelkie pytania chętnie odpowiem, a za zgłoszone uwagi będę wdzięczny.

Witam wszystkich Kolegów na FORUM.

Kolega ma rację.
Jak w ten sposób będziemy pisać to nikt nigdy się nic nie dowie.
!!!

witam Kolegów:)
W kwesti przedłużaczy na budowie, kiedyś zdarzało mi się nadzorować roboty na budowie. ciągle słyszałem, że RCD wylatuje, instalacja jest do d…y. Kazałem wtedy elektrykowi wykonawcy wykonać pomiary i wykonać niezbędny zakres prac aby zapewnić dla urządzeń ochronę oraz warunek szybkiego wyłączenia. Elektryk wziął się do pracy ale generalny wykonawca nie zaakceptował zakresu prac niezbędnych do wykonania. Na co ja dokonałem stosownego wpisu do dziennika budowy i kazałem wyłaczyć napięcie. Kilka godzin był nastrój wojenny ale wreszcie gościu zrozumiał i zlecił przystosowanie instalacji do wymogów norm. Czasami talie drastyczne pociągnięcie jest potrzebne aby ktoś przejżał na oczy.
Głupotą moim zdaniem jest też montowanie jednej RB-ki na śerdniej wielkości budowie bez nadzoru elektryka. Niestety czasami robia to też elektrycy :frowning:
Jedno jest pewne, prokurator poprzez rzeczoznawcę znajdzie winnego załączenia wadliwej instalacji pod napięcie. tak więc przedłużacz na budowie jako element instalacji powinien być czujnie “obserwowany”.
pozdrawiam jacek

Witam!
Na poparcie słów Kolegi Jacka (opornik):
” […]przedłużacz na budowie jako element instalacji […]”
-Zacytuję coś z normy PN-91/E-05009/01 ( idt z IEC 364-1):
”W skład instalacji elektrycznych wchodzą:
[…] f) obwody instalacji rozbudowanych lub zmienianych w całości lub w części.”
-To wszystko podlega normie PN-IEC 60 364 […], więc i pomiarom, doborowi zabezpieczeń w celu spełnienia wymogów technicznych i warunków skutecznej ochrony przeciwporażeniowej.
I tym optymistycznym akcentem proponuję ten temat zakończyć.

Witam wszystkich Kolegów na FORUM.
Kolega Teodor w listopadzie zapoczątkował ten temat. Lecz nie został zakończony z powodów zmieniania tematu.
Ten wątek też odbiegł już od zasadniczego pytania.
Proponuję powrócić do tematu, po wypowiedzi Kolegi EDI, który znalazł ciekawy punkt z normy.
PN-IEC 60364-1:2000 ARKUSZ 11: ZAKRES NORMY
11.2. Norma obejmuje:
f) obwody instalacji rozbudowywanych lub zmienianych w całości lub w części.
Tak, więc proponuję ponowić pytanie:
Czy przedłużacz jest częścią instalacji i należy wykonywać pomiar rezystancji izolacji?

Witam Kolegów,
Z definicji instalacji podanej w rozp.MSWiA w sprawie warunków technicznych użytkowania budynków mieszkalnych przedłużacz jest częścią instalacji elektrycznej , gdyż instalacja kończy się między innymi na gniazdach, czyli miejscach do których podłączamy odbiorniki. W normie 60364 podana definicja jest tak ogólna , że nie wynika to jasno.
Natomiast norma 60364-6-61 podaje każda instalacja (nowa, rozbudowana np. właśnie o przedłużacz) musi byc poddana sprawdzaniu przed jej dopuszczeniem do eksploatacji. Przedłużacze kupione w sklepach, hurtowniach muszą mieć m.innymi znak B, nie muszą być wtedy badane, inaczej ma się sprawa po 5 latach-powinny być badane.
słusznie zwrócili koledzy uwagę na fakt zwiększenia impedancji pętli przez przedłużacze zatem konieczności sprawdzenia warunku wyłączenia.
Na placach budowy wymaga się aby odległości pomiędzy Rb nie przekraczały 50 m, właśnie ze względu na włączanie urządzeń poprzez przedłużacze.
Z poważaniem
Janusz Wojnarski

Witam Kolegów,
Osobiście biorę w obliczeniach pod uwagę przedłużacze o ile mogą się pojawić i stać się częścią instalacji. Podam przykład, gdzie przedłużacze stały się stałą częścią instalacji i to nie dotyczy jednego obiektu. Duże pomieszczenia biurowe-ponad 300 m2, meble-biurka dostosowane do prowadzenia w nich instalacji, gniazda pojedyńcze na ścianach, z nich zasilone przedłużacze zakończone 4- gniazdami przymocowanymi śrubami do blatów w biurkach. Nie mam wątpliwości w tym przypadku, również co do pomiarów.
Z poważaniem
janusz Wojnarski

Robiąc pomiary i spotykając sięz przedłużaczami zawsze staram się je mierzć. Wwiekszości kuchni spotykam przedłżaczen bez bolcy ochronnych
a wnich włączone mikrofale, lodówki, zmywarki i to w przedłużaczach
o przekroju 1mm2 lub 1,5 .Jak przekonać ludzi że to jest nie dopuszczalne
.wychodząc z mieszkania w którym przeorowadziem pomiar lokator zapewnił mhie że wymieni przedłurzacz , po 5 latach jest to samo.
Czasami mam chęć go zwinąć go zwiną iwyżucić do kosza lub wycągnąć kombinerki i go pociąć na kawałki. co koledzy pomiarowcy na to. :evil:

Witam nowego Kolegę " daro1958 " i wszystkich Kolegów na FORUM.

W tym przypadku Kolega ma rację.
Ale jak tu można zniszczyć czyjąś prywatną własność?
Ps.
Czy “daro1958” odnosi się do daty urodzenia?