Witam
czy spotkał się ktoś z urządzeniem, które w domu jednorodzinnym
(zasilanie 3- faz/25A) w przypadku braku 1 lub 2 faz automatycznie zasili brakujące fazy z tej jednej czynnej, a może ręczne przełączanie (klient nie ma silników 3-faz) ?
Mariusz
Mozna zastosować przełącznik faz np.PF-341 firmy F&.F z Pruszkowa
Chyba nie z Pruszkowa tylko F&F Pabianice
Przepraszam pomyliłem się.Pabianice.
zobacz również tu:
http://www.ise.pl/forum/viewtopic.php?f=12&t=8704&st=0&sk=t&sd=a&hilit=przekaźnikach&start=0
A zobacz dokładnie na stronie http://www.fif.com.pl
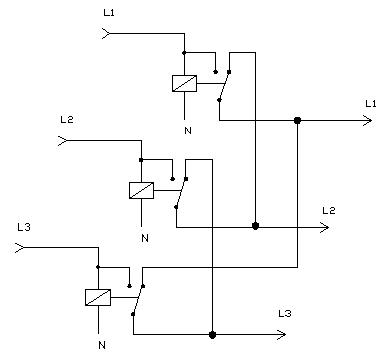
Można połączyć trzy styczniki, jak na rysunku. Należy pamiętać, aby zastosować styczniki, które “puszczą” po spadku napięcia do 115V, gdyż takie napięcie utrzymuje się przeważnie na przerwanej fazie.
Dzięki piękne chyba o coś takiego mi chodziło, że sam na to nie wpadłem, muszę zrobić model próbny.
